跳转到主要内容
瑞萨电子 (Renesas Electronics Corporation)

特性

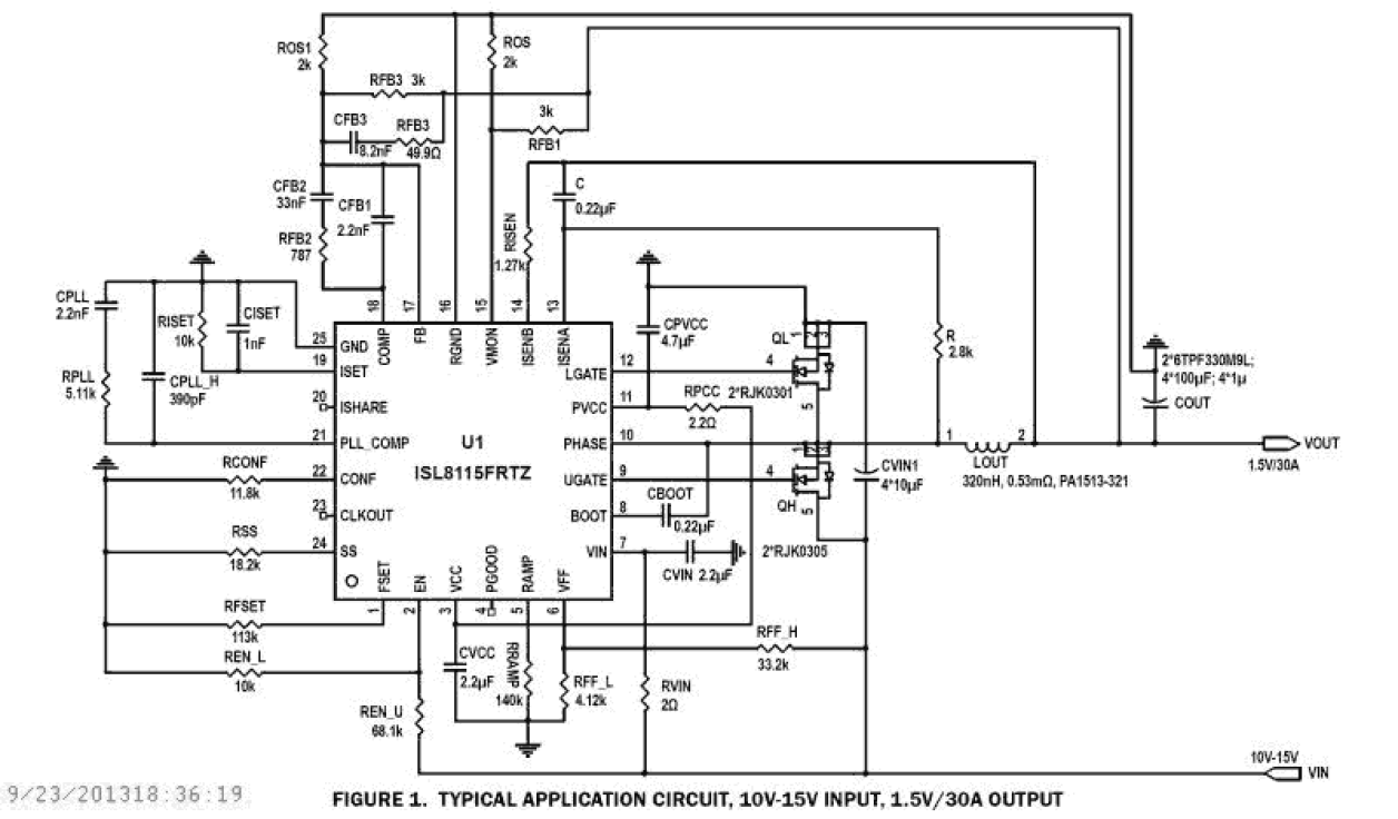
  • Wide VIN range operation: 2.97V to 36V; up to 5.5V output and 30A load current per phase
  • Fast transient response
  • Voltage-mode PWM leading-edge modulation with non-linear control
  • Input voltage feed-forward
  • Integrated 5V high speed 4A MOSFET gate drivers
  • Internal bootstrap diode
  • Excellent output voltage regulation
  • 0.6V ±1.0% internal reference (-40°C ~ 125°C)
  • 0.6V ±0.7% internal reference (-40°C ~ 105°C)
  • Differential voltage sensing
  • Excellent current balancing and overcurrent protection
  • Peak and average overcurrent protection
  • Output current monitor on the ISET pin
  • Oscillator programmable from 150kHz to 1.5MHz
  • Frequency synchronization to external clock signal
  • Diode emulation mode for light load efficiency improvement
  • Power-good open drain output
  • Pre-bias start-up function
  • Output OVP, UVP; OTP
  • Adjustable Soft-Start

描述

The ISL8115 is a synchronous buck PWM controller with current sharing capability. The current sharing function allows multiple modules to be connected in parallel to achieve higher output current and to reduce input and output ripple current, resulting in fewer components and reduced output dissipation. Utilizing voltage-mode control with input voltage feed-forward compensation, the ISL8115 maintains a constant loop gain for optimal transient response, especially for applications with a wide input voltage range. The ISL8115 protects against overcurrent conditions by inhibiting the PWM operation while monitoring the current with DCR of the output inductor, or a precision resistor. It also has a pre-POR overvoltage protection option, which provides some protection to the load if the upper MOSFET(s) is shorted. The ISL8115 features remote ground sensing, programmable input voltage UVLO, output under/overvoltage protection, power-good indication, and fault Hand Shake capability.

应用

  • Power supply for datacom/telecom and POL
  • Wide input voltage range buck regulators
  • High current density power supplies RF power amplifier bias
  • compensation

当前筛选条件