| CAD 模型: | View CAD Model |
| Pkg. Type: | Module |
| Pkg. Code: | YGL |
| Lead Count (#): | 58 |
| Pkg. Dimensions (mm): | 23.00 x 18.00 x 7.45 |
| Pitch (mm): | 1 |
| Moisture Sensitivity Level (MSL) | 3 |
| Pb (Lead) Free | Exempt |
| ECCN (US) | |
| HTS (US) |
| Lead Count (#) | 58 |
| Carrier Type | Tray |
| Moisture Sensitivity Level (MSL) | 3 |
| Pb (Lead) Free | Exempt |
| Pb Free Category | Nickel/Palladium/Gold-e4 |
| Temp. Range (°C) | -40 to +85°C |
| Control Type | Digital |
| Current Sharing | No |
| Digital Bus | Yes |
| Input Voltage (Max) (V) | 14 |
| Input Voltage (Min) (V) | 4.5 |
| Length (mm) | 23 |
| MOQ | 50 |
| Output Current (Max) [Rail 1] (A) | 30 |
| Output Voltage (Max) (V) | 5 |
| Output Voltage (Min) (V) | 0.6 |
| POR | Yes |
| Parametric Category | Digital-Interface Power Modules |
| Peak Efficiency (%) | 95.5 |
| Pitch (mm) | 1 |
| Pkg. Dimensions (mm) | 23.0 x 18.0 x 7.45 |
| Pkg. Type | Module |
| Qualification Level | Standard |
| Quiescent Current | 40 mA |
| SYNCH Capability | Yes |
| Simulation Model Available | iSim |
| Switching Frequency (KHz) | 1.067 - 1.067 |
| Switching Frequency Range (Typical) (kHz) | 296 - 1067 |
| Thickness (mm) | 7.45 |
| Width (mm) | 18 |
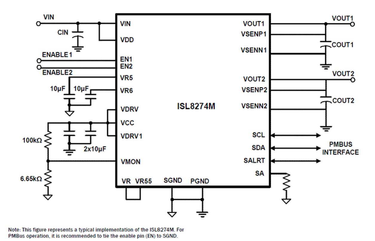
The ISL8274M is a complete PMBus enabled DC/DC, dual-channel, step-down advance power supply, capable of delivering up to 30A per channel and optimized for high power density applications. Operating across an input voltage range of 4. 5V to 14V, the ISL8274M offers adjustable output voltages down to 0. 6V and achieves up to 95. 5% conversion efficiencies. A unique ChargeMode™ control architecture provides a single clock cycle response to an output load step and can support switching frequencies up to 1. 06MHz. The power module integrates all power and most passive components and requires only a few external components to operate. A set of optional external resistors allows the user to easily configure the device for standard operation. For advanced configurations, a standard PMBus interface addresses tasks such as sequencing and fault management, as well as real-time full telemetry and point-of-load monitoring. Additionally, the nonvolatile memory can store the desired custom configuration and settings. A fully customizable voltage, current, and temperature protection scheme ensures safe operation for the ISL8274M under abnormal operating conditions. The device is also supported by the PowerNavigator™ software, a full digital power train development environment. The ISL8274M is available in a low profile, compact 18mmx23mmx7. 5mm fully encapsulated, thermally enhanced HDA package.