跳转到主要内容
瑞萨电子 (Renesas Electronics Corporation)

特性

  • Drives N-Channel FET Full Bridge Including High Side Chop Capability
  • Bootstrap Supply Max Voltage to 75VDC
  • Drives 1000pF Load at 1MHz in Free Air at +50°C with Rise and Fall Times of Typically 10ns
  • User-Programmable Dead Time
  • Charge-Pump and Bootstrap Maintain Upper Bias Supplies
  • DIS (Disable) Pin Pulls Gates Low
  • Input Logic Thresholds Compatible with 5V to 15V Logic Levels
  • Very Low Power Consumption
  • Undervoltage Protection
  • Pb-Free Plus Anneal Available (RoHS Compliant)

描述

Support is limited to customers who have already adopted these products.

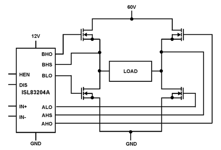
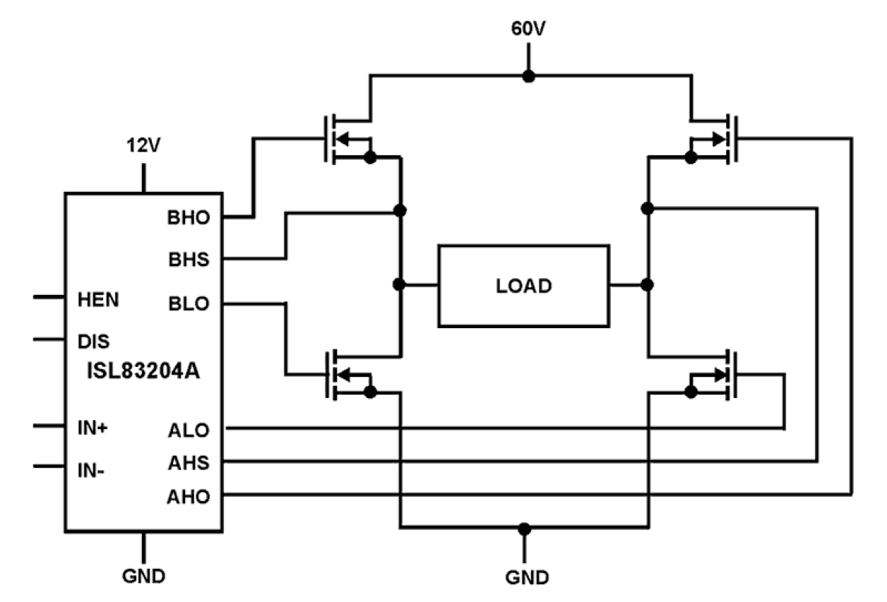
The ISL83204A is a high frequency, medium voltage Full Bridge N-Channel FET driver IC, available in 20 lead plastic SOIC and DIP packages. The ISL83204A includes an input comparator used to facilitate the hysteresis and PWM modes of operation. Its HEN (high enable) lead can force current to freewheel in the bottom two external power MOSFETs, maintaining the upper power MOSFETs off. Since it can switch at frequencies up to 1MHz, the ISL83204A is well suited for driving Voice Coil Motors, switching power amplifiers and power supplies. ISL83204A can also drive medium voltage brush motors, and two ISL83204As can be used to drive high performance stepper motors, since the short minimum on-time can provide fine micro-stepping capability. Short propagation delays of approximately 55ns maximize control loop crossover frequencies and dead-times which can be adjusted to near zero to minimize distortion, resulting in precise control of the driven load.

应用

  • Medium/Large Voice Coil Motors
  • Full Bridge Power Supplies
  • Switching Power Amplifiers
  • Uninterruptible Power Supplies
  • High Performance Motor Controls
  • Noise Cancellation Systems
  • Battery Powered Vehicles

当前筛选条件