跳转到主要内容
瑞萨电子 (Renesas Electronics Corporation)

特性

  • High Efficiency Integrated Synchronous Buck Regulator with up to 95% Efficiency
  • 2.7V to 5.5V Supply Voltage
  • 17µA Quiescent Supply Current in Skip (Low IQ) Mode
  • 1.2A Guaranteed Output Current
  • 3% Output Accuracy Over Temperature/Load/Line
  • Selectable Forced PWM Mode and Skip Mode
  • Less than 1µA Logic Controlled Shutdown Current
  • 100% Maximum Duty Cycle for Lowest Dropout
  • Discharge Output Cap when Shutdown
  • Internal Digital Soft-Start
  • Peak Current Limiting, Short Circuit Protection
  • Over-Temperature Protection
  • Enable, Power Good Function
  • 10 Ld 3mmx3mm DFN
  • Pb-Free Plus Anneal Available (RoHS Compliant)

描述

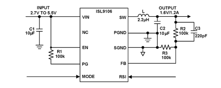
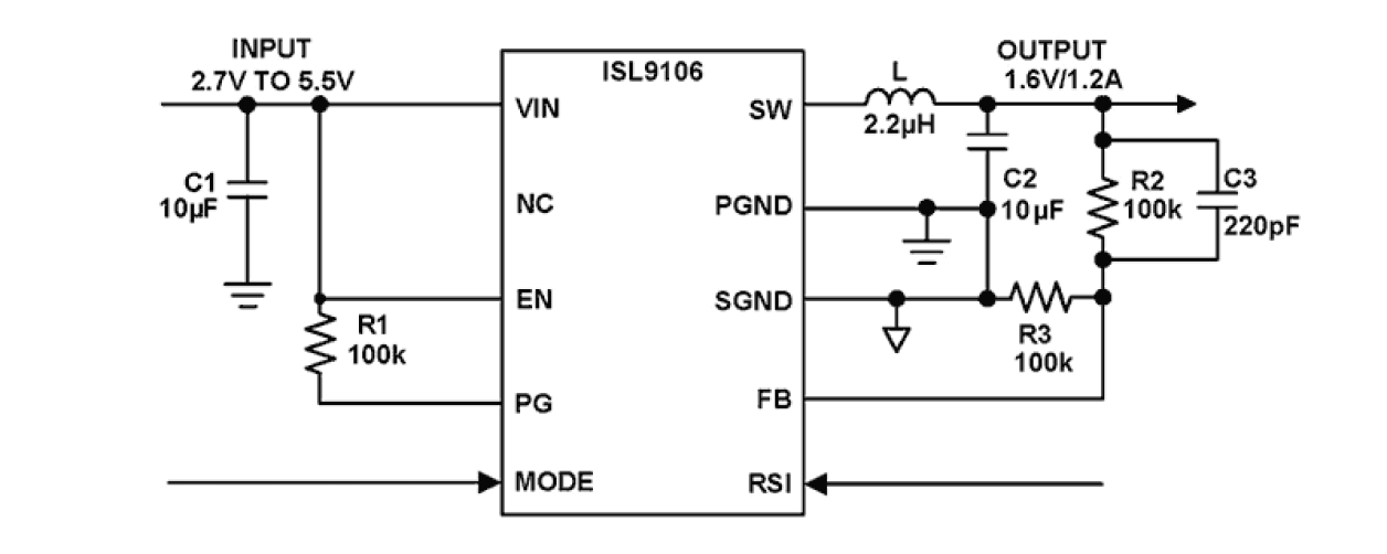
ISL9106 is a 1. 2A, 1. 6MHz step-down regulator, which is ideal for powering low-voltage microprocessors in compact devices such as PDAs and cellular phones. It is optimized for generating low output voltages down to 0. 8V. The supply voltage range is from 2. 7V to 5. 5V allowing the use of a single Li+ cell, three NiMH cells or a regulated 5V input. 1. 6MHz pulse-width modulation (PWM) switching frequency allows using small external components. It has flexible operation mode selection of forced PWM mode and Skip (Low IQ) mode with typical 17µA quiescent current for highest light load efficiency to maximize battery life. The ISL9106 integrates a pair of low ON-resistance P-Channel and N-Channel MOSFETs to maximize efficiency and minimize external component count. The ISL9106 offers a typical 215ms Power-Good (PG) timer when powered up. The timer output can be reset by RSI. When shutdown, ISL9106 discharges the output capacitor. Other features include internal digital soft-start, enable for power sequence, overcurrent protection, and thermal shutdown. The ISL9106 is offered in 10 Ld 3mmx3mm DFN package with 0. 9mm typical height. The complete converter can occupy less than 1cm2 area.

应用方框图

Power Sequencer & I/O Expander for Printers (PPC/MFP) Block Diagram
打印机电源排序器和 I/O 扩展器(PPC 或 MFP)
基于 MCU 的电源定序器和 I/O 扩展器,适用于高性能 PPC 或 MFP 打印机。

其他应用

  • Single Li-Ion Battery-Powered Equipment
  • DSP Core Power
  • PDAs and Palmtops

当前筛选条件