跳转到主要内容
瑞萨电子 (Renesas Electronics Corporation)

特性

  • Dual output 3+1 or 2+2, or single output 4-phase
  • 2.5V to 5.5V supply voltage
  • 5A per phase output current capability
  • Small solution size (7x10 mm2)
  • 4 phase design requires only 12 components
  • High efficiency (94% peak)
  • Low IQ in low power mode
  • Supports 50A/μs per phase transients with <150μF nominal output capacitance
  • Voltage, current, and temperature telemetry through integrated ADC plus auxiliary inputs
  • ±0.7% system accuracy with remote voltage sensing
  • OTP Programmable PWM frequency from 2MHz to 6MHz
  • I2C and SPI programmable output from 0.3V to 2.0V
  • Independent Dynamic Voltage Scaling (DVS) for each output
  • Soft-start and fault detection (UV, OV, OC, OT), short circuit protection
  • 2.551mmx 3.670mm 54 ball WLCSP with 0.4mm pin pitch

描述

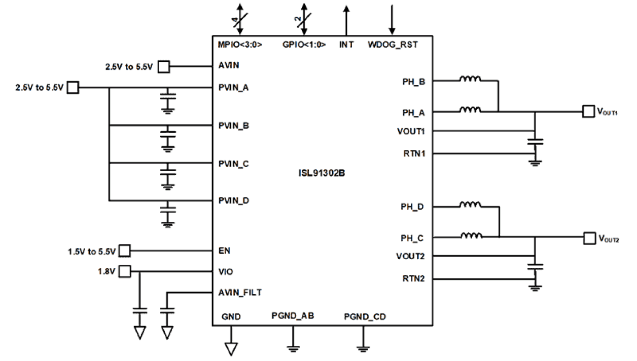
The ISL91302B is a highly efficient, dual or single output, synchronous multiphase buck switching regulator that can deliver up to 5A per phase continuous output current. The ISL91302B features four integrated power stages and has the capability to assign its power stages to either output. This flexibility allows seamless design-in for a wide range of applications where dual, triple, or quad phase outputs are needed, such as CPU and GPU core power mobile applications. The ISL91302B features integrated low ON-resistance MOSFETs, programmable PWM frequency, and automatic diode emulation, which maximizes efficiency while minimizing the external component count and solution size. Using Renesas’s proprietary R5 modulator technology, the ISL91302B delivers a highly robust power solution capable of ultra-fast transient response, excellent loop stability, and seamless DCM/CCM transitions without requiring external compensation. The ISL91302B is widely configurable through the factory OTP settings. Available features which can be used include: • SPI or I2C interface • External signal telemetry with an internal ADC • Dynamic Voltage Scaling (DVS) with selectable slew rate

产品参数

属性
Qualification LevelStandard
Product TypeMPU
Total step-down DC/DC converter channels (#)2
Step-up DC/DC converter Channels (#)0
Input Voltage (Min) (V)2.5
Input Voltage (Max) (V)5.5
Bus Voltage (Max) (V)5.5
Output Current Max (A)20
Outputs (#)2
Function2-ch PMIC
Comm. InterfaceSPI, I2C
Battery InterfaceNo
GPIOs (#)2
Integrated Battery ChargerNo
Switching Frequency (MHz)2 - 6

封装选项

Pkg. TypePkg. Dimensions (mm)Lead Count (#)Pitch (mm)
WLCSP-TKCURDL3.7 x 2.6 x 0.50540.4

应用方框图

400ZR optical module block diagram features an MCU, PMIC, synchronous buck, and linear differential driver allowing for a compact and high-performance module.
400ZR 光模块
使用小型 400ZR 模块优化 DCI 链路上的 400Gb 以太网传输,以实现高性能和低功耗。
Full-function HMI with 4K Video Support Block Diagram
支持 4K 视频的全功能 HMI
高性能 HMI 设计提供无缝丝滑的 4K 视频、高级图形和可靠的连接。

其他应用

  • Smart phones and tablets
  • FPGA and ASIC power
  • Industrial MPU power
  • Human machine interface

当前筛选条件