特性
- Dual output 3+1 or 2+2, or single output 4-phase
- 2.7V to 5.5V supply voltage
- 5A per phase output current capability
- Small solution size
- High efficiency (94% peak for 3.3V VIN, 1.8V VOUT, L = 220nH)
- Low IQ in low power mode
- Proprietary control scheme reduces the output capacitor and supports fast load transients (such as 50A/µs per phase)
- Voltage, current, and temperature telemetry through integrated ADC plus auxiliary inputs
- ±0.7% system accuracy, remote voltage sensing
- I2C and SPI programmable output from 0.3V to 2.0V
- Independent Dynamic Voltage Scaling (DVS) for each output
- Soft-start and fault detection (UV, OV, OC, OT), short-circuit protection
- 4.7mm x 6.3mm 35 ball TFBGA with 0.8mm pin pitch
描述
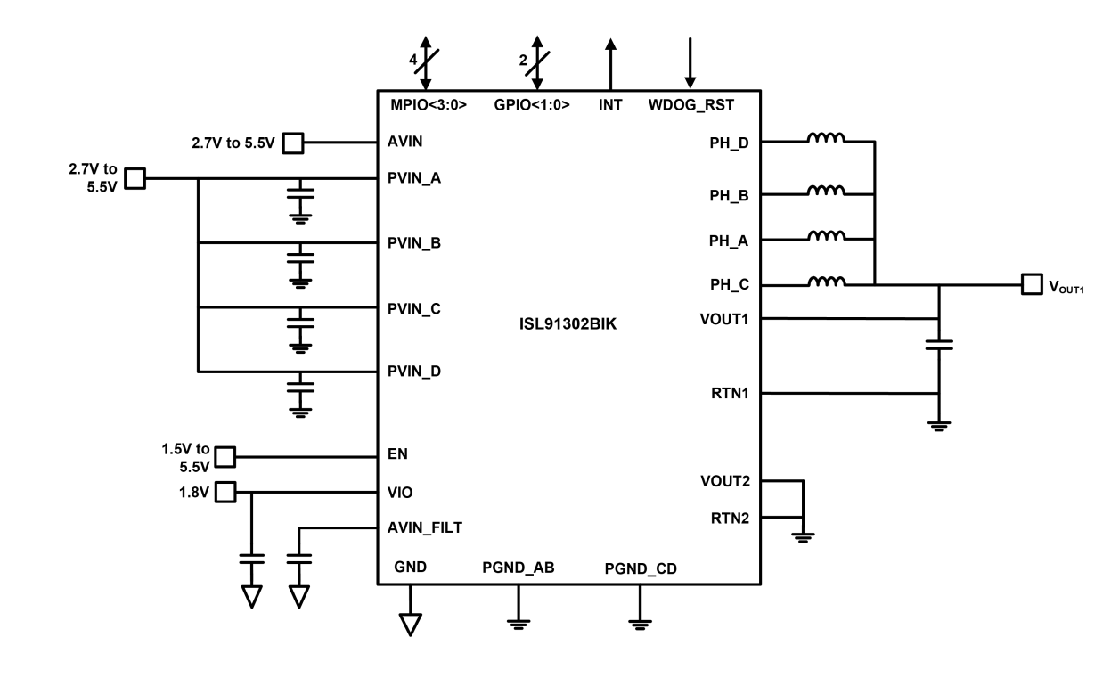
The ISL91302BIK is a highly efficient, dual or single output, synchronous multiphase buck switching regulator that can deliver up to 5A per phase maximum output current. The ISL91302BIK features four integrated power stages and two controllers. The ISL91302BIK can assign its power stages and controllers to two dual-phase outputs (2+2) or one three-phase and one-phase output (3+1) or one-phase output (4+0). This flexibility allows seamless design-in for a wide range of applications in which dual, triple, or quad-phase outputs are needed, such as CPU and GPU core power mobile applications.
ISL91302BIK integrates low ON-resistance MOSFETs at 2MHz switching frequency, allowing very small external inductors and capacitors to be used. With automatic Diode Emulation and Pulse Skipping modes under light-load conditions, this feature improves efficiency and maximizes battery life. The ISL91302BIK delivers a highly robust power solution through a controller based on the Renesas proprietary Rapid Robust Ripple Regulator (R5) technology, offering tight output accuracy and load regulation, ultra-fast transient response, seamless DCM/CCM transitions, and no required external compensation.
In addition to the standard interrupt, chip enable, and watchdog reset functions, the ISL91302BIK also features four MPIOs and two GPIOs that support SPI, I2C communication protocol, external signal telemetry with an internal ADC, Dynamic Voltage Scaling (DVS) with selectable slew rates, and various other pin mode functions.
应用
- Industrial controls and FPGAs
- Computing servers and systems
- Home gateways and appliances
当前筛选条件
筛选
软件与工具
样例程序
模拟模型
Find out how Intersil's high efficient, compact 12V synchronous buck regulator family can meet your power requirements for 12V rails in industrial and infrastructure applications.
Renesas introduces three buck-boost regulators aimed at battery-powered applications in embedded ecosystems. This webinar focuses on the ISL9120IR, ISL91107IR, and ISL91127IR buck-boost devices in QFN packages, which target lower volume battery applications.
This video introduces the ISL85003 and ISL85003A synchronous buck (step-down) regulators with integrated high-side and low-side FETs.
Introducing the ISL78233, ISL78234, and ISL78235 Renesas' automotive grade synchronous buck regulators for point-of-load applications.