| CAD 模型: | View CAD Model |
| Pkg. Type: | QFN |
| Pkg. Code: | LAZ |
| Lead Count (#): | 32 |
| Pkg. Dimensions (mm): | 5.00 x 5.00 x 0.90 |
| Pitch (mm): | 0.5 |
| RoHS (ISL9440IRZ) | 下载 |
| Moisture Sensitivity Level (MSL) | 3 |
| Pb (Lead) Free | Yes |
| ECCN (US) | |
| HTS (US) |
| Pkg. Type | QFN |
| Carrier Type | Tube |
| Bias Voltage Range (V) | 5 - 5 |
| DDR Capable | No |
| Input Voltage (Max) (V) | 24 |
| Input Voltage (Min) (V) | 4.5 |
| Lead Count (#) | 32 |
| Length (mm) | 5 |
| Linear Output | Yes |
| MOQ | 600 |
| Moisture Sensitivity Level (MSL) | 3 |
| Output Current 1 (Max) (A) | 20 |
| Output Current 2 (Max) (A) | 20 |
| Output Voltage (Min) (V) | 0.8 |
| Output Voltage 1 (Max) (V) | 24 |
| Output Voltage 2 (Max) | Adj. |
| Output Voltage 3 (Max) | Adj. |
| Outputs (#) | 3 |
| Pb (Lead) Free | Yes |
| Pb Free Category | Pb-Free 100% Matte Tin Plate w/Anneal-e3 |
| Pitch (mm) | 0.5 |
| Pkg. Dimensions (mm) | 5.0 x 5.0 x 0.90 |
| Price (USD) | $5.0875 |
| Qualification Level | Standard |
| Switching Frequency Range (Typical) (kHz) | 300 - 300 |
| Temp. Range (°C) | -40 to +85°C |
| Thickness (mm) | 0.9 |
| Width (mm) | 5 |
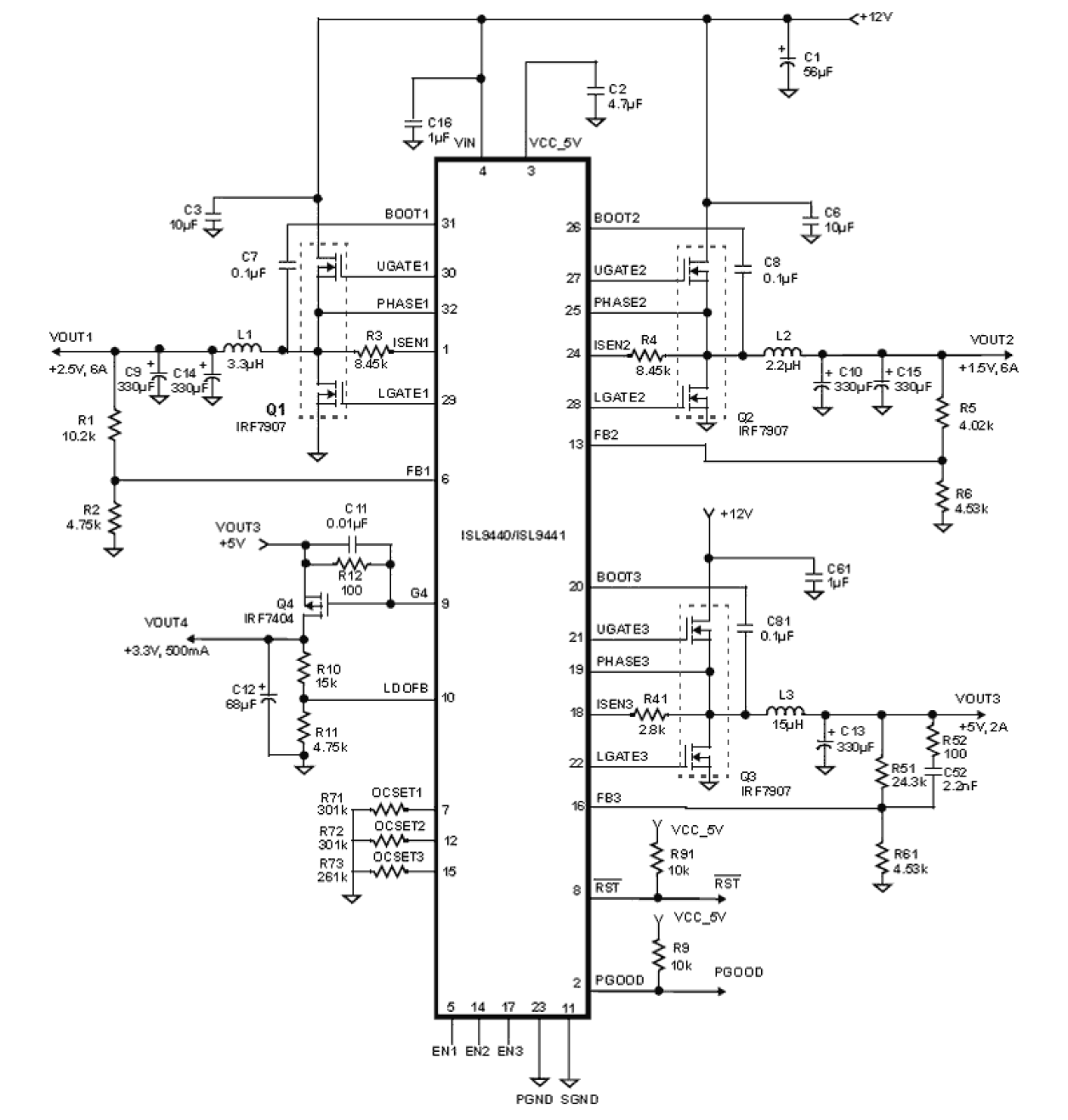
The ISL9440, ISL9440A and ISL9441 are quad-output synchronous buck controllers that integrate 3 PWM controllers and 1 low drop-out linear regulator controller, which are full featured and designed to provide multi-rail power for use in products such as cable and satellite set-top boxes, VoIP gateways, cable modems, and other home connectivity products as well as a variety of industrial and general purpose applications. Each output is adjustable down to 0.8V. The PWMs are synchronized at 180° out of phase thus reducing the RMS input current and ripple voltage. The ISL9440, ISL9440A and ISL9441 offer internal soft-start, independent enable inputs for ease of supply rail sequencing, and integrated UV/OV/OC/OT protections in a space conscious 5mm x 5mm QFN package. The ISL9440 and ISL9440A offers an early warning function to output a logic signal to warn the system to back up data when the input voltage falls below a certain level. The ISL9440, ISL9440A and ISL9441 are utilize internal loop compensation to keep minimum peripheral components for compact design and a low total solution cost. These devices are implemented with current mode control with feed forward to cover various applications even with fixed internal compensations. The table below shows the difference in terms of ISL9440, ISL9440A and ISL9441 features.
| PART NUMBER | EARLY WARNING | SWITCHING FREQUENCY (kHz) |
| ISL9440 | YES | 300 |
| ISL9440A | YES | 600 |
| ISL9441 | NO | 300 |