跳转到主要内容
瑞萨电子 (Renesas Electronics Corporation)

特性

  • Precision Multiphase Voltage Regulation
  • 0.5% System Accuracy Over Temperature
  • Enhanced Droop Impedance Accuracy
  • Voltage Selection Input
  • 7-Bit VSEL (Voltage Selection) Input
  • 0.300V to 1.500V in 12.5mV Steps
  • Supports VSEL Changes On-The-Fly
  • Multiple Current Sensing Approaches Supported
  • Lossless DCR Current Sensing
  • Precision Resistive Current Sensing
  • Optimized Efficiency across Overall Load Range
  • Superior Noise Immunity and Transient Response
  • Power Monitor and Thermal Monitor
  • Differential Remote Voltage Sensing
  • Programmable 1, 2 or 3 Power Channels
  • Excellent Dynamic Current Balance between Channels
  • Small Footprint 40 Ld 6x6 QFN Package
  • Pb-Free (RoHS Compliant)

描述

Support is limited to customers who have already adopted these products.

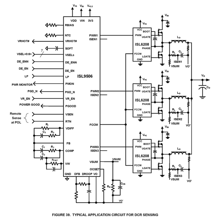
The ISL9506 is a multiphase PWM buck controller for high performance digital processor core. This multiphase buck controller uses interleaved channels to reduce the total output voltage ripple with each channel carrying a portion of total load current. The multiple phase implementation results in better system performance, superior thermal management, lower component cost, reduced power dissipation, and smaller implementation area. The ISL9506 multiphase controller together with ISL6208 external gate drivers provide a complete solution to power the processor core. The PWM modulator of ISL9506 is based on Intersil's Robust Ripple Regulator technology (R3). Compared with the traditional multiphase buck regulator, the R3 modulator commands variable switching frequency during load transients, which achieves faster transient response. With the same modulator, the switching frequency is reduced at light load conditions resulting higher operation efficiency. ISL9506 responds to LP (Low Power) signal by adding or dropping PWM2 and adjusting overcurrent protection accordingly. ISL9506 enables diode emulation and stretches switching period at light load conditions to improve efficiency. The diode emulation feature is programmed by DE_EN (Diode Emulation Enable) and DE_ENN pins. The ISL9506 has several other key features. ISL9506 reports output power through a power monitor pin (PMON). Current sense can be achieved by using either inductor DCR or discrete precision resistor. In the case of DCR current sensing, a single NTC thermistor is used to thermally compensate the inductor DCR variation with temperature. A unity gain, differential amplifier is available for remote voltage sensing. This allows the voltage at the load point to be accurately measured and regulated per voltage selection pins.

应用

  • Mobile Laptop Computers
  • High Performance Point-of-Load Power Supply

当前筛选条件