| CAD 模型: | View CAD Model |
| Pkg. Type: | TQFN |
| Pkg. Code: | LAO |
| Lead Count (#): | 48 |
| Pkg. Dimensions (mm): | 5.99 x 5.99 x 0.75 |
| Pitch (mm): | 0.4 |
| Moisture Sensitivity Level (MSL) | 3 |
| Pb (Lead) Free | Yes |
| ECCN (US) | EAR99 |
| HTS (US) | 8542.39.0090 |
| RoHS (ISL95855BIRTZ) | 下载 |
| Lead Count (#) | 48 |
| Carrier Type | Tray |
| Moisture Sensitivity Level (MSL) | 3 |
| Pb (Lead) Free | Yes |
| Pb Free Category | Pb-Free 100% Matte Tin Plate w/Anneal-e3 |
| Temp. Range (°C) | -40 to +85°C |
| Country of Assembly | MALAYSIA |
| Country of Wafer Fabrication | TAIWAN |
| Bias Voltage Range (V) | 4.75 - 5.25 |
| Droop | Yes |
| Input Voltage (Max) (V) | 25 |
| Input Voltage (Min) (V) | 4.5 |
| Integrated MOSFET Driver (s) | No |
| Length (mm) | 6 |
| MOQ | 490 |
| Output Current (Max) [Rail 1] (A) | 120 |
| Output Voltage (Max) (V) | 1.52 |
| Outputs (Max) (#) | 3 |
| Parametric Applications | IMVP8 |
| Parametric Category | Multiphase DC/DC Switching Controllers |
| Phases (Max) | 3+2+1 |
| Pitch (mm) | 0.4 |
| Pkg. Dimensions (mm) | 6.0 x 6.0 x 0.75 |
| Pkg. Type | TQFN |
| Price (USD) | $9.0758 |
| Qualification Level | Standard |
| Thickness (mm) | 0.75 |
| VID | Yes |
| Width (mm) | 6 |
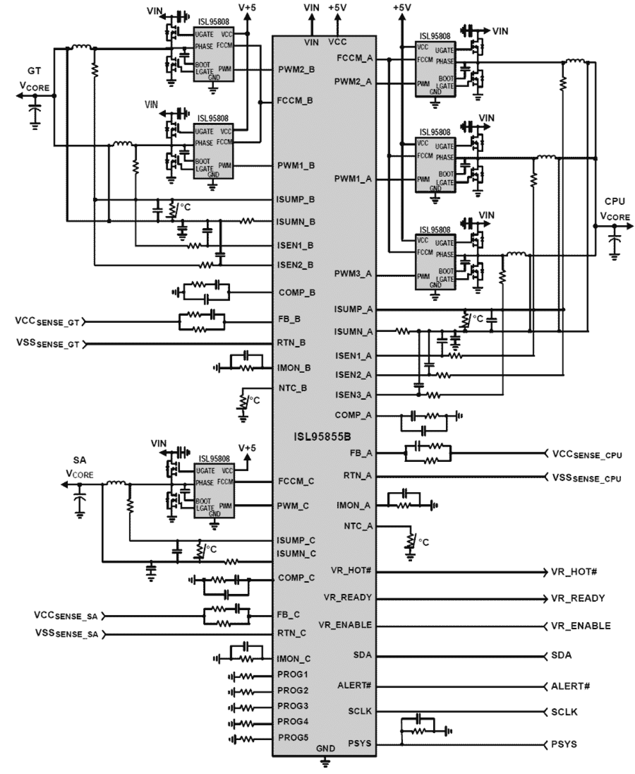
Compliant with IMVP8, the ISL95855B provides a complete power solution for Intel microprocessors supporting core, graphics, and system agent rails. The controller provides control and protection for three Voltage Regulator (VR) outputs. The VR A output can be configured for 3-, 2-, or 1-phase operation. VR B is configurable for 2- or 1-phase operation and VR C supports 1-phase operation. The programmable address options for these three outputs allow for maximum flexibility in support of the IMVP8 CPU. All three VRs share a common serial control bus to communicate with the CPU and achieve lower cost and smaller board area compared with a two-chip approach. VR C is a fixed non-SVID rail for VccSA in support of desktop CPUs. Based on Intersil’s Robust Ripple Regulator (R3™) technology, the R3 modulator has many advantages compared to traditional modulators. These include faster transient settling time, variable switching frequency in response to load transients, and improved light-load efficiency due to diode emulation mode with load-dependent low switching frequency. The ISL95855B has several other key features. The controller provides PWM outputs, which support Intel DrMOS power stages (or similar) and discrete power stages using the Intersil ISL95808 high voltage synchronous rectified buck MOSFET driver. The ISL95855B supports the system input power monitor (PSYS) option. The controller supports either DCR current sensing with a single NTC thermistor for DCR temperature compensation, or more precision through resistor current sensing if desired. All three outputs feature remote voltage sense, programmable IMAX, adjustable switching frequency, OC protection, and a single VR_READY power-good indicator.