跳转到主要内容

特性

  • Supports Intel serial data bus interface
  • System input power monitor (PSYS) supported
  • Three output controller
  • VR A supports 1-phase VR design
  • VR B configurable for 2-, 1-phase VR design
  • VR C supports 1-phase VR design
  • 0.5% system accuracy over temperature
  • Low supply current in PS4 state
  • Supports multiple current sensing methods
  • Lossless inductor DCR current sensing
  • Precision resistor current sensing
  • Differential remote voltage sensing
  • Programmable SVID address
  • Resistor programmable address selection, IMAX and switching frequency

描述

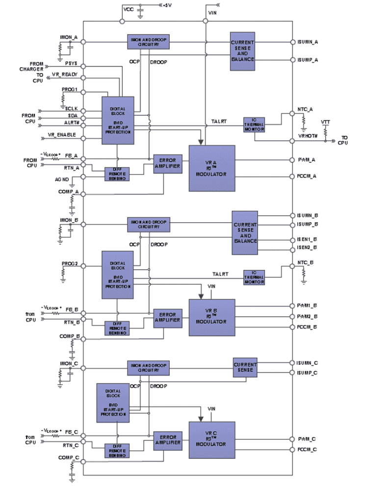
Compliant with Intel IMVP8™, the ISL95857 provides a complete power solution for Intel microprocessors supporting core, graphics and system agent rails. The controller provides control and protection for three Voltage Regulator (VR) outputs. VR A and VR C outputs support 1-phase operation only, while VR B is configurable for 2- or 1-phase operation. The address options programmable for these three outputs allow for maximum flexibility in support of the IMVP8™ CPU. All three VRs share a common serial control bus to communicate with the CPU and achieve lower cost and smaller board area compared with a two-chip approach. Based on Intersil’s Robust Ripple Regulator (R3™) technology, the R3™ modulator has many advantages compared to traditional modulators. These include faster transient settling time, variable switching frequency in response to load transients and improved light-load efficiency due to diode emulation mode with load-dependent low switching frequency. The ISL95857 has several other key features. The controller provides PWM outputs, which support Intel DrMOS power stages (or similar) and discrete power stages using the Intersil ISL95808 high voltage synchronous rectified buck MOSFET driver. The controller complies with IMVP8™ PS4 power requirements and supports power stages and drivers which are compatible. The ISL95857 supports the system input power monitor (PSYS) option. The controller supports either DCR current sensing with a single NTC thermistor for DCR temperature compensation or more precision through resistor current sensing if desired. All three outputs feature remote voltage sense, programmable IMAX, adjustable switching frequency, OC protection and a single VR_READY power-good indicator.

当前筛选条件