跳转到主要内容

特性

  • Drives Up to 26V Output
  • Integrated over-voltage protection (OVP) of 14V, 18V, and 26V for various number of LEDs in series
  • PWM Dimming Control From DC to 32kHz
  • Output Disconnect Switch
  • Integrated Schottky Diode
  • 2.4V to 5.5V Input
  • 85% Efficiency
  • 1.4MHz Switching Frequency Allows Small LC
  • 1µA Shutdown Current
  • Internally Compensated
  • 8 Ld TDFN (2mmx3mm)
  • Pb-Free (RoHS Compliant)

描述

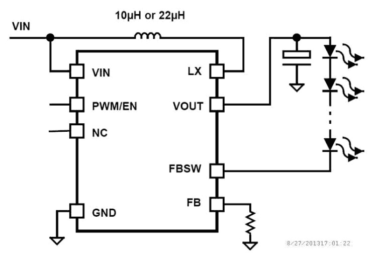
The ISL97634 represents an efficient and highly integrated PWM boost LED driver that is suitable for LED backlighting in small size LCD panels. With integrated Schottky diode, OVP, and wide range of PWM dimming capability, the ISL97634 provides a simple, reliable, and flexible solution to the backlight designers. The ISL97634 features a wide range of PWM dimming control capability. It allows dimming frequency as low as DC to 32kHz beyond audible spectrum. The ISL97634 also features a feedback disconnect switch to prevent the output from being modulated by the PWM dimming signal that minimizes system disturbance. The ISL97634 is available in the 8 Ld TDFN (2mmx3mm) package. There are 14V, 18V, and 26V OVP options that are suitable for various number of LEDs in series. The ISL97634 is specified for operation over the -40°C to +85°C ambient temperature at input voltage from 2. 4V to 5. 5V.

应用方框图

Interactive block diagram of a highly secure drug delivery system features an NFC authentication and rich connectivity.
具有 NFC 身份验证和丰富连接性的高安全性药物投放系统
具有精准剂量和安全功能的药物投放系统,确保正确的药物与投放
Interactive block diagram of the WXGA single display HMI platform features RGB and MIPI video outputs with 2D graphics, powered by an Arm Cortex-M85 MCU.
高端功能丰富的 HMI 平台
灵活的 HMI 平台,为显示分辨率、音频、扬声器等提供丰富的功能支持。
Smart HMI System with Voice & Display Interfaces Block Diagram
配备语音与显示界面的智能 HMI 系统
搭载 32 位 MCU 的智能 HMI 系统支持 GUI、语音输入/输出、IoT 连接与快速开发工具。
Secure Cloud & Sensor Platform Block Diagram
安全云和传感器平台
具有云连接、HMI 功能和快速安全固件更新特性的安全传感器平台。
Smart Grid Fault Indicator Unit Block Diagram
智能电网故障指示器单元
低功耗智能电网故障指示器,具有高性能 MCU 和高效监控功能。

其他应用

  • LED Backlighting for:
  • Cell phones
  • Smartphones
  • MP3
  • PMP
  • Automotive Navigation Panel
  • Portable GPS

当前筛选条件