| CAD 模型: | View CAD Model |
| Pkg. Type: | QFN |
| Pkg. Code: | LBD |
| Lead Count (#): | 24 |
| Pkg. Dimensions (mm): | 3.99 x 3.99 x 0.90 |
| Pitch (mm): | 0.5 |
| Moisture Sensitivity Level (MSL) | 3 |
| Pb (Lead) Free | Yes |
| ECCN (US) | EAR99 |
| HTS (US) | 8542.39.0090 |
| RoHS (ISL97635AIRZ-TK) | 下载 |
| Lead Count (#) | 24 |
| Carrier Type | Reel |
| Moisture Sensitivity Level (MSL) | 3 |
| Pb (Lead) Free | Yes |
| Pb Free Category | Pb-Free 100% Matte Tin Plate w/Anneal-e3 |
| Temp. Range (°C) | -40 to +85°C |
| Backlight for LCD Size (inches) | 17 - 17 |
| Brightness Control | SMBus, PWM or DC |
| Channels (#) | 6 |
| Fault Switch | Yes |
| Frequency Range (MHz) | 0.6 - 1.2 |
| IQ (Max) (μA) | 20 |
| IS (mA) | 10 |
| ISW (Typical) (mA) | 2200 |
| Input Voltage (Max) (V) | 24 |
| Input Voltage (Min) (V) | 6 |
| Input Voltage Range (V) | 6 - 24 |
| Integrated Diode | No |
| Interface | SMBus/I2C |
| LEDs (#) | 60 |
| Length (mm) | 4 |
| MOQ | 1000 |
| Output Current Max/Channel (mA) | 35 |
| Output Voltage (Max) (V) | 34.5 |
| Over Voltage Protection | Yes |
| Parametric Category | Backlight LED Drivers |
| Peak Efficiency (%) | 91 |
| Pitch (mm) | 0.5 |
| Pkg. Dimensions (mm) | 4.0 x 4.0 x 0.90 |
| Pkg. Type | QFN |
| Qualification Level | Standard |
| Thickness (mm) | 0.9 |
| Topology [Rail 1] | Inductor Boost |
| Total Current for DC/DC Lighting (mA) | 210 |
| Width (mm) | 4 |
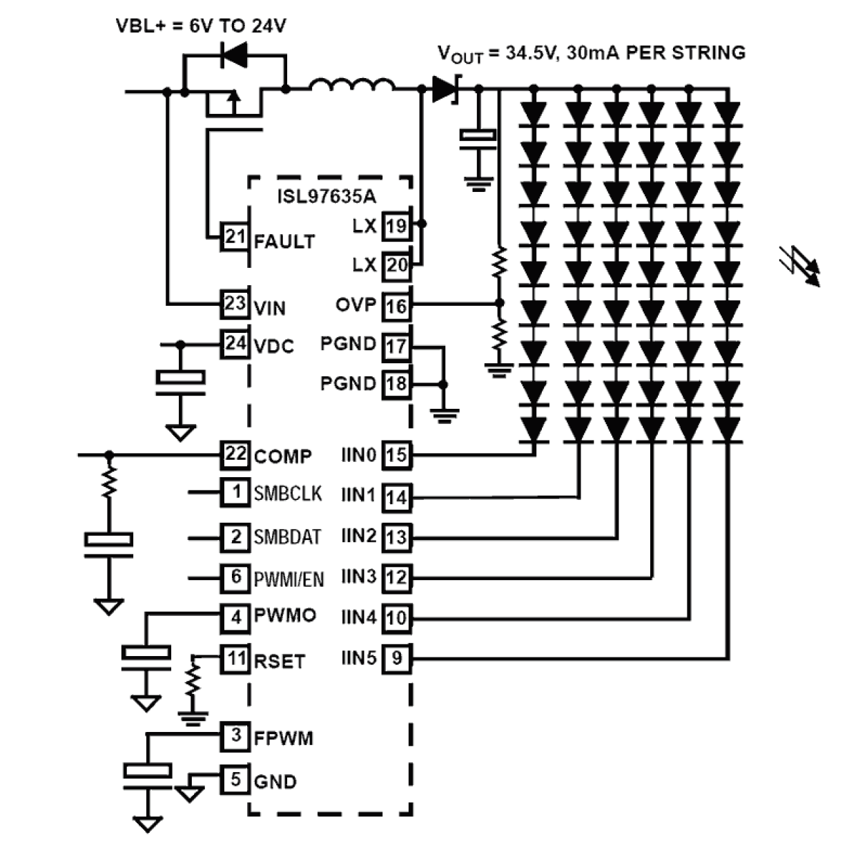
The ISL97635A is a digitally controlled LED driver that controls 6 channels of LED current for LCD backlight applications. The ISL97635A is capable of driving typically 54 (6x9) pieces of 3. 5V/30mA or 60 (6x10) pieces of 3. 2V/20mA LEDs. The ISL97635A contains 6 channels of voltage controlled current sources with typical currents matching of ±1%, which compensate for the non-uniformity effect of forward voltages variance in the LED stacks. To minimize the voltage headroom and power loss in the typical multi-strings operation, the ISL97635A features a dynamic headroom control that monitors the highest LED forward voltage string and uses its feedback signal for output regulation. The LED dimming control can be achieved through a SMBus, an external PWM, or a variable DC (analog light sensor) input. SMBus controlled dimming allows 256 levels each of PWM and DC current adjustments. The SMBus PWM dimming frequency can be adjusted from 100Hz to 5kHz by an external capacitor. External PWM input allows up to 20kHz audio noise free PWM dimming. The SMBus PWM setting and an external PWMI signal can also be combined to provide a dynamic PWM dimming that complies with Intel’s DPST (Display Power Saving Technology) requirement. One or more channels can be selected sequentially in any order allowing scrolling in RGB LED backlighting applications. The ISL97635A features extensive protection functions that include string open and short-circuit detections, OVP, OTP, thermal shutdown, and an optional input overcurrent protection with master fault disconnect switch. The fault conditions will be recorded in the Fault/Status register. There are selectable short-circuit thresholds and the switching frequency can be programmed between 600kHz and 1. 2MHz. Available in the 24 Ld 4mmx4mm QFN, the ISL97635A operates from -40°C to +85°C with input voltage ranging from 6V to 24V for high LEDs count applications.