跳转到主要内容
瑞萨电子 (Renesas Electronics Corporation)

特性

  • Current mode boost regulator
  • Fast transient response
  • 1% accurate output voltage
  • 18V/2.4A integrated FET
  • >90% efficiency
  • 2.6V to 5.5V VIN supply
  • 2 LDO controllers for VON and VOFF
  • 2% output regulation
  • VON-slice circuit
  • High speed amplifiers
  • 150mA short-circuit output current
  • 12V/µs slew rate
  • 12MHz -3dB bandwidth
  • Rail-to-rail inputs and outputs
  • Built-in power sequencing
  • Internal soft-start
  • Multiple overload protection
  • Thermal shutdown
  • 32 Ld 5x5 thin QFN package
  • Pb-free plus anneal available (RoHS compliant)

描述

Support is limited to customers who have already adopted these products.

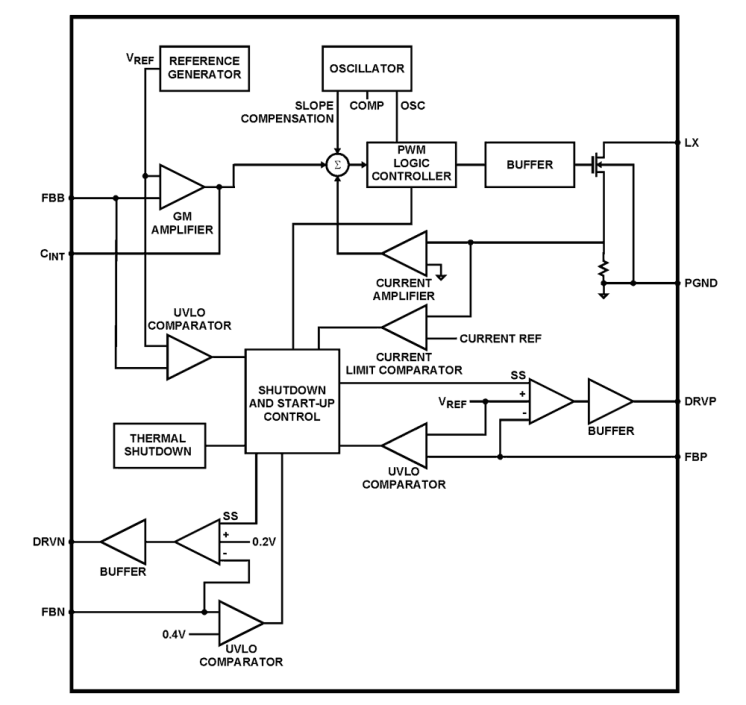
The ISL97642 integrates a high performance boost regulator with 2 LDO controllers for VON and VOFF, a VON-slice circuit with adjustable delay and three amplifiers for VCOM and VGAMMA applications. The boost converter in the ISL97642 is a current mode PWM type integrating an 18V N-Channel MOSFET. Using external low-cost transistors, the LDO controllers provide tight regulation for VON, VOFF, as well as providing start-up sequence control and fault protection. The amplifiers are ideal for VCOM and VGAMMA applications, with 150mA peak output current drive, 12MHz bandwidth, and 12V/µs slew rate. All inputs and outputs are rail-to-rail. Available in the 32 Ld thin QFN (5mmx5mm) Pb-free package, the ISL97642 is specified for operation over the -40°C to +85°C temperature range.

应用

  • TFT-LCD panels
  • LCD monitors
  • Notebooks
  • LCD-TVs

当前筛选条件