跳转到主要内容

特性

  • 2.4V minimum input voltage, supports single cell applications
  • 4 channels, up to 40mA each (ISL97692) or 6 channels, up to 30mA each (ISL97693, ISL97694A)
  • 90% efficient at 6P5S, 3.7V and 20mA (ISL97693, ISL97694A)
  • Low 0.8mA quiescent current
  • PWM dimming control with internally generated clock
  • 8-bit resolution with adjustable dimming frequency up to 30kHz (ISL97692, ISL97694A)
  • 12-bit resolution with adjustable dimming frequency up to 1.875kHz (ISL97694A)
  • Optional automatic channel phase shift (ISL97692, ISL97694A)
  • Linear dimming from 0.025%~100% up to 5kHz or 0.4%~100% up to 30kHz (ISL97692, ISL97694A)
  • Direct PWM dimming with 0.005% minimum duty cycle at 100Hz
  • ±2.5% output current matching
  • Adjustable switching frequency from 400kHz to 1.5MHz

描述

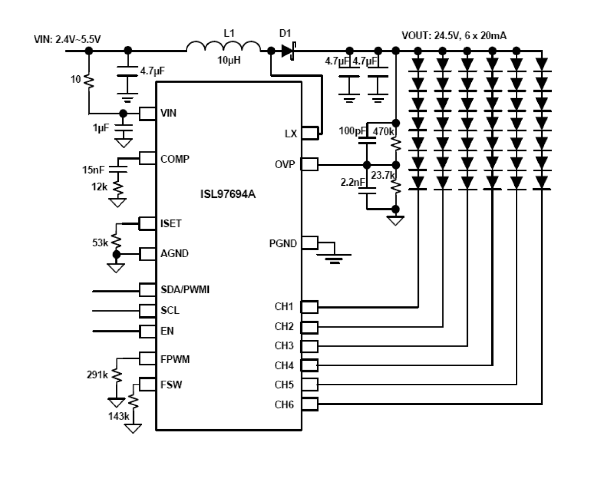
The ISL97692, ISL97693, ISL97694A are Intersil’s highly integrated 4- and 6-channel LED drivers for display backlighting. These parts maximize battery life by featuring only 1mA quiescent current, and by operating down to 2. 4V input voltage, with no need for higher voltage supplies. The ISL97692 has four channels and provides 8-bit PWM dimming with adjustable dimming frequency up to 30kHz. The ISL97693 has six channels with Direct PWM dimming control. The ISL97694A has 6 channels and provides 8-, 10-, or 12-bit PWM dimming with adjustable dimming frequency up to 30kHz, 7. 5kHz, or 1. 875kHz, respectively, controlled with I2C or PWM input. The ISL97692 and ISL97694A feature phase shifting that may be enabled optionally, providing an optimized phase delay between channels. In the ISL97692 and ISL97694A, phase shifting can multiply the effective dimming frequency by four and six allowing above audio-band PWM dimming with 10-bit dimming resolution. The ISL97692, ISL97693, ISL97694A employ adaptive boost architecture, which keeps the headroom voltage as low as possible to maximize battery life while allowing ultra low dimming duty cycle as low as 0. 005% at 100Hz dimming frequency in Direct PWM mode. The ISL97692, ISL97693, ISL97694A incorporate extensive protection functions including string open and short circuit detections, OVP, and OTP. The ISL97692, ISL97693 are offered in the 16 Ld 3x3mm TQFN package, and a 16 bump 1. 7x1. 7mm WLCSP for the ISL97692. The ISL97694A is offered in the 20 Ld 3x4mm TQFN package. All parts operate in ambient temperature range of -40°C to +85°C.

应用

  • Tablet, Notebook PC and Smart Phone Displays LED Backlighting

当前筛选条件