| CAD 模型: | View CAD Model |
| Pkg. Type: | SOT23-5L |
| Pkg. Code: | |
| Lead Count (#): | 6 |
| Pkg. Dimensions (mm): | |
| Pitch (mm): | 0.95 |
| Moisture Sensitivity Level (MSL) | 1 |
| Pb (Lead) Free | Yes |
| ECCN (US) | EAR99 |
| HTS (US) | 8542.39.0090 |
| Lead Count (#) | 6 |
| Carrier Type | Tape & Reel |
| Moisture Sensitivity Level (MSL) | 1 |
| Pb (Lead) Free | Yes |
| Temp. Range (°C) | -40 to +125°C |
| Advanced Features | EZ-EMI, PrimAccurate |
| Application | Adapters, Chargers, Home Appliances, Networking, Smart Meters |
| Control Mode | Primary-Side Regulation Peak Current Mode DCM |
| Controller / Integrated | Controller |
| MOQ | 3000 |
| No Load Power (mW) | 100 |
| Output Power (Min) (W) | 1 |
| Output Power Max (W) | 10 |
| PWMs (#) | 1 |
| Parametric Category | Flyback & Forward Controllers |
| Pass Device | BJT |
| Pitch (mm) | 0.95 |
| Pkg. Type | SOT23-5L |
| Protection Features | OVP, IUVP, PCL/OCP, SRSC |
| Qty. per Reel (#) | 3000 |
| Qualification Level | Standard |
| Switching Frequency (KHz) | 72 - 72 |
| Topology Characteristic | Flyback |
| UVLO Falling (V) | 4 |
| UVLO Rising (V) | 11 |
| VBIAS (Max) (V) | 16 |
| 已发布 | Yes |
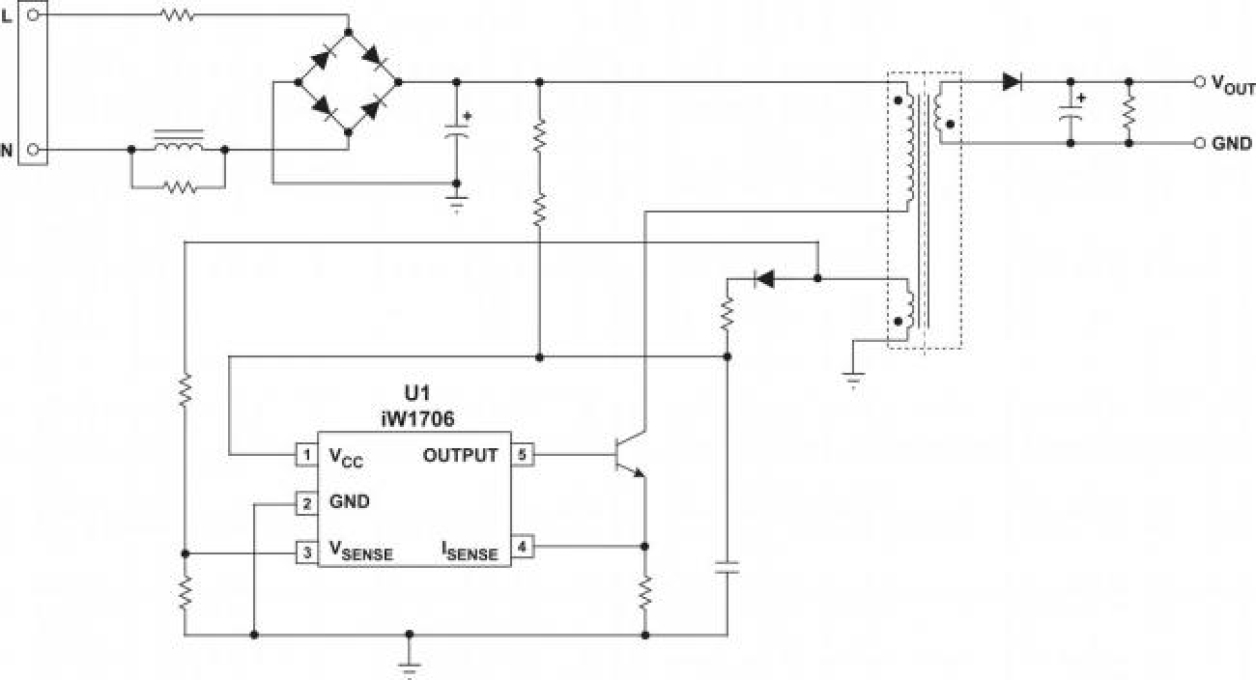
The iW1706 is a high-performance AC/DC controller designed to drive an external power bipolar junction transistor (BJT) for peak current mode PWM flyback power supplies. Ideal for networking power supplies in applications such as ADSL modems and wireless access points, the iW1706 integrates a proprietary soft-start feature that allows for a smooth, yet fast start-up into capacitive loads between 330µF to 6000µF.
The iW1706 meets the US DoE’s external power supply standard and the EU’s Code of Conduct, Version 5, Tier 1 standard with no-load power consumption less than 100mW. As a PrimAccurate™ controller, which uses primary-side control algorithms, the iW1706 does not need any direct secondary-side feedback components, eliminating the need for optocouplers, and reducing component count and solution cost. Additional features include Renesas' proprietary EZ-EMI™ technology, quasi-resonant control for optimal efficiency at heavy loads, cable and connector voltage drop compensation options, full protection from fault conditions, and tiny packaging.