| CAD 模型: | View CAD Model |
| Pkg. Type: | SOIC-8 |
| Pkg. Code: | |
| Lead Count (#): | 8 |
| Pkg. Dimensions (mm): | |
| Pitch (mm): | 1.27 |
| Moisture Sensitivity Level (MSL) | 1 |
| Pb (Lead) Free | Yes |
| ECCN (US) | EAR99 |
| HTS (US) | 8542.39.0090 |
| Lead Count (#) | 8 |
| Carrier Type | Tape & Reel |
| Moisture Sensitivity Level (MSL) | 1 |
| Pb (Lead) Free | Yes |
| Temp. Range (°C) | -40 to +125°C |
| Advanced Features | EZ-EMI, PrimAccurate |
| Application | Adapters, Chargers |
| Control Mode | Primary-Side Regulation Peak Current Mode DCM |
| Controller / Integrated | Controller |
| FET Driver Output Current (Max) (A) | 1 |
| MOQ | 2500 |
| No Load Power (mW) | 20 |
| Output Power (Min) (W) | 5 |
| Output Power Max (W) | 27 |
| PWMs (#) | 1 |
| Parametric Category | Flyback & Forward Controllers |
| Pass Device | FET |
| Pitch (mm) | 1.27 |
| Pkg. Type | SOIC-8 |
| Protection Features | OVP/OTP, IUVP, PCL/OCP, SRSC |
| Qty. per Reel (#) | 2500 |
| Qualification Level | Standard |
| Switching Frequency (KHz) | 76 - 76 |
| Topology Characteristic | Flyback |
| UVLO Falling (V) | 7.2 |
| UVLO Rising (V) | 15.5 |
| VBIAS (Max) (V) | 40 |
| 已发布 | Yes |
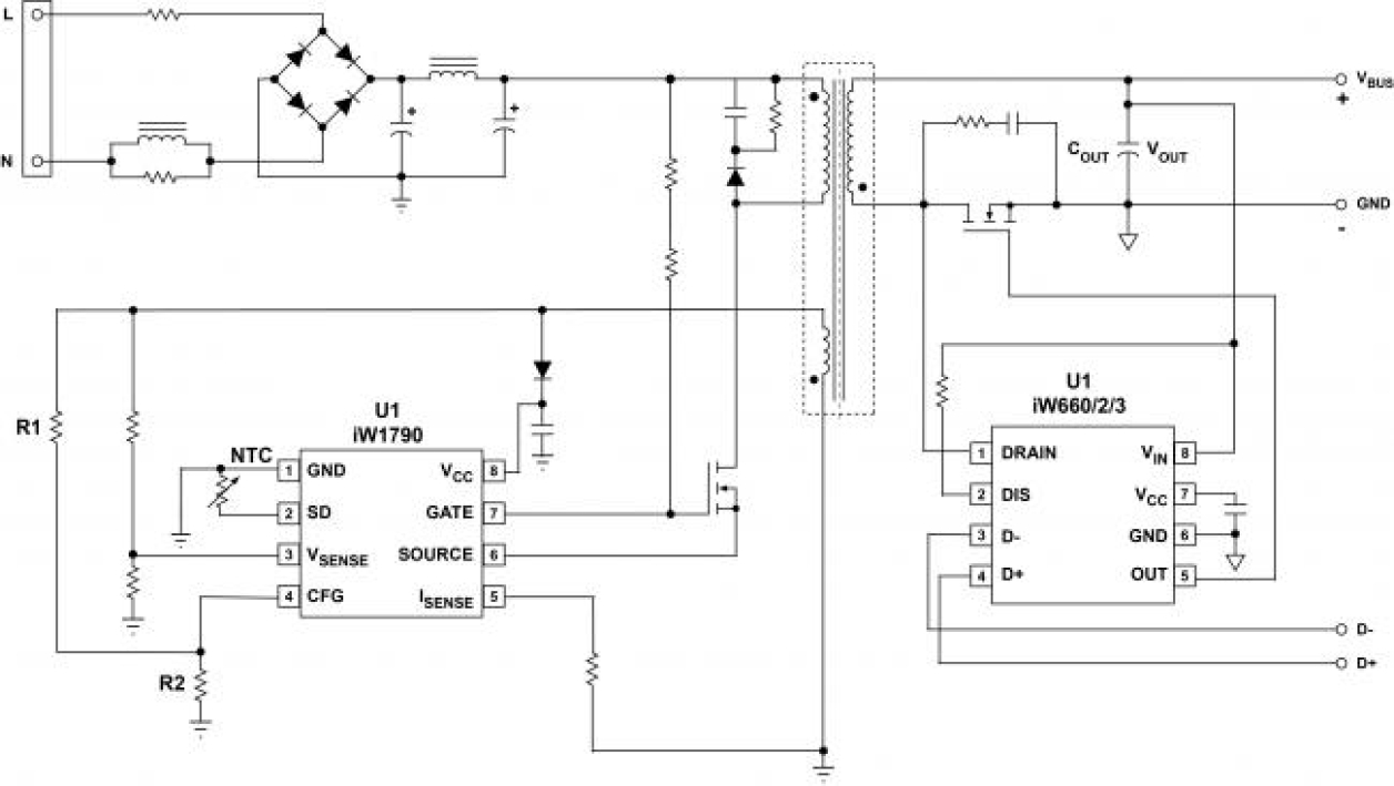
The iW1790 is a 27W output, high-performance AC/DC RapidCharge™ power supply controller that integrates Renesas' XM-Comm technology, removing all optocouplers from travel adapters to reduce cost and improve reliability. The device also uses advanced source charging technology to integrate additional high voltage components, further reducing the overall BOM cost in travel adapter applications. The device supports Qualcomm Quick Charge 3.0 and 2.0 along with other rapid charging protocols.
It is optimized to work with the iW662 secondary-side device, which integrates a RapidCharge interface IC and a synchronous rectifier controller. The iW662 uses Renesas' XM-Comm technology to transmit all necessary information to the iW1790, including voltage requests, output current limits, output voltage undershoot, output overvoltage, and fault and reset signals.
A full array of protection features includes Renesas' SmartDefender™ advanced hiccup technology to address soft short circuits in charger cables and connectors, helping to prevent excessive heat build-up and damage.
Qualcomm® Quick Charge™ is a product of Qualcomm Technologies, Inc.