| CAD 模型: | View CAD Model |
| Pkg. Type: | SOT23-6L |
| Pkg. Code: | |
| Lead Count (#): | 6 |
| Pkg. Dimensions (mm): | |
| Pitch (mm): | 0.95 |
| Moisture Sensitivity Level (MSL) | 1 |
| Pb (Lead) Free | Yes |
| ECCN (US) | EAR99 |
| HTS (US) | 8542.39.0090 |
| Lead Count (#) | 6 |
| Carrier Type | Tape & Reel |
| Moisture Sensitivity Level (MSL) | 1 |
| Pb (Lead) Free | Yes |
| Temp. Range (°C) | -40 to +125°C |
| Advanced Features | Cable Fault Protection, EZ-EMI, PrimAccurate |
| Application | Adapters, Chargers |
| Control Mode | Primary-Side Regulation Peak Current Mode DCM |
| Controller / Integrated | Controller |
| FET Driver Output Current (Max) (A) | 1 |
| No Load Power (mW) | 20 |
| Output Power (Min) (W) | 5 |
| Output Power Max (W) | 27 |
| PWMs (#) | 1 |
| Parametric Category | Flyback & Forward Controllers |
| Pass Device | FET |
| Pitch (mm) | 0.95 |
| Pkg. Type | SOT23-6L |
| Protection Features | OVP/OTP (internal), IUV, PPCL/OCP, SRSC |
| Qty. per Reel (#) | 3000 |
| Qualification Level | Standard |
| Switching Frequency (KHz) | 76 - 86 |
| Topology Characteristic | Flyback |
| UVLO Falling (V) | 7.65 |
| UVLO Rising (V) | 21 |
| VBIAS (Max) (V) | 40 |
| 已发布 | Yes |
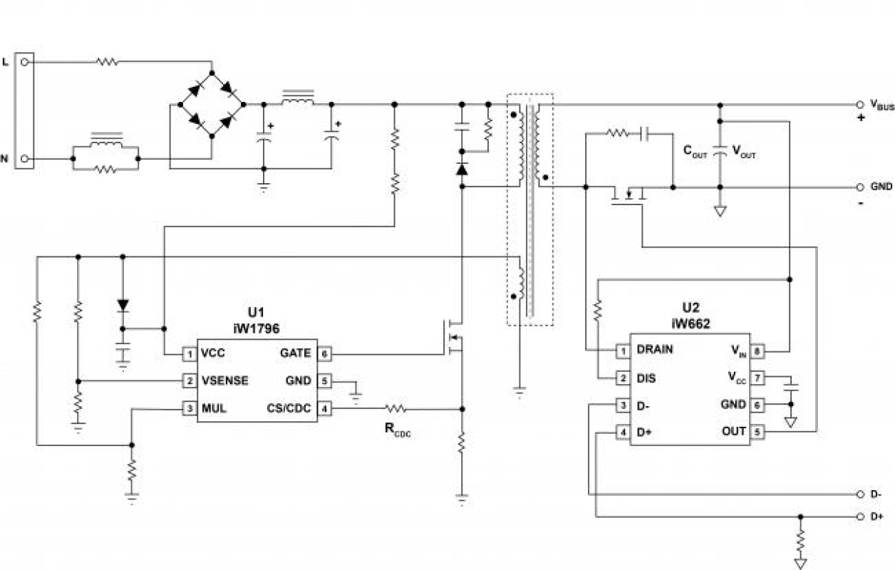
The iW1796 is a 27W output, high-performance AC/DC RapidCharge™ power supply controller that integrates Renesas' XM-Comm technology, eliminating all optocouplers from travel adapters to reduce cost and improve reliability. The device comes in an SOT23-6 package, reducing the total solution size for space-sensitive travel adapter applications. The device can support Qualcomm® Quick Charge™ 3.0 and 2.0 and other rapid charging protocols.
It is optimized to work with Renesas' iW662 secondary-side synchronous rectifier controller and rapid charge interface IC. The iW662 IC uses XM-Comm technology to transmit all necessary information via an optocoupler to the iW1796, including voltage requests, output current limits, output voltage undershoot, output overvoltage, and fault and reset signals.
A full array of protection features includes Renesas' advanced fault control technology to address soft short circuits in charger cables and connectors without latching off the output.
Qualcomm® Quick Charge™ is a product of Qualcomm Technologies, Inc.