跳转到主要内容
27W High Resolution RapidCharge™ AC/DC Digital Controller in Small SOT23-6

封装信息

CAD 模型: View CAD Model
Pkg. Type: SOT23-6L
Pkg. Code:
Lead Count (#): 6
Pkg. Dimensions (mm):
Pitch (mm):

环境和出口类别

Moisture Sensitivity Level (MSL) 1
ECCN (US) EAR99
HTS (US) 8542.39.0090
Pb (Lead) Free

产品属性

Lead Count (#) 6
Moisture Sensitivity Level (MSL) 1
Temp. Range (°C) -40 to +125°C
Advanced Features Cable Fault Protection, EZ-EMI, PrimAccurate
Application Adapters, Chargers
Control Mode Primary-Side Regulation Peak Current Mode DCM
Controller / Integrated Controller
FET Driver Output Current (Max) (A) 1
No Load Power (mW) 20
Output Power (Min) (W) 5
Output Power Max (W) 27
PWMs (#) 1
Parametric Category Flyback & Forward Controllers
Pass Device FET
Pkg. Type SOT23-6L
Protection Features OVP/OTP (internal), IUV, PPCL/OCP, SRSC
Qualification Level Standard
Switching Frequency (KHz) 76 - 86
Topology Characteristic Flyback
UVLO Falling (V) 7.65
UVLO Rising (V) 21
VBIAS (Max) (V) 40

描述

Supports USB PD 3.0, Qualcomm® Quick Charge™ 4+, and Direct Charge Adapters; Companion to the iW657P USB PD 3.0 Controller

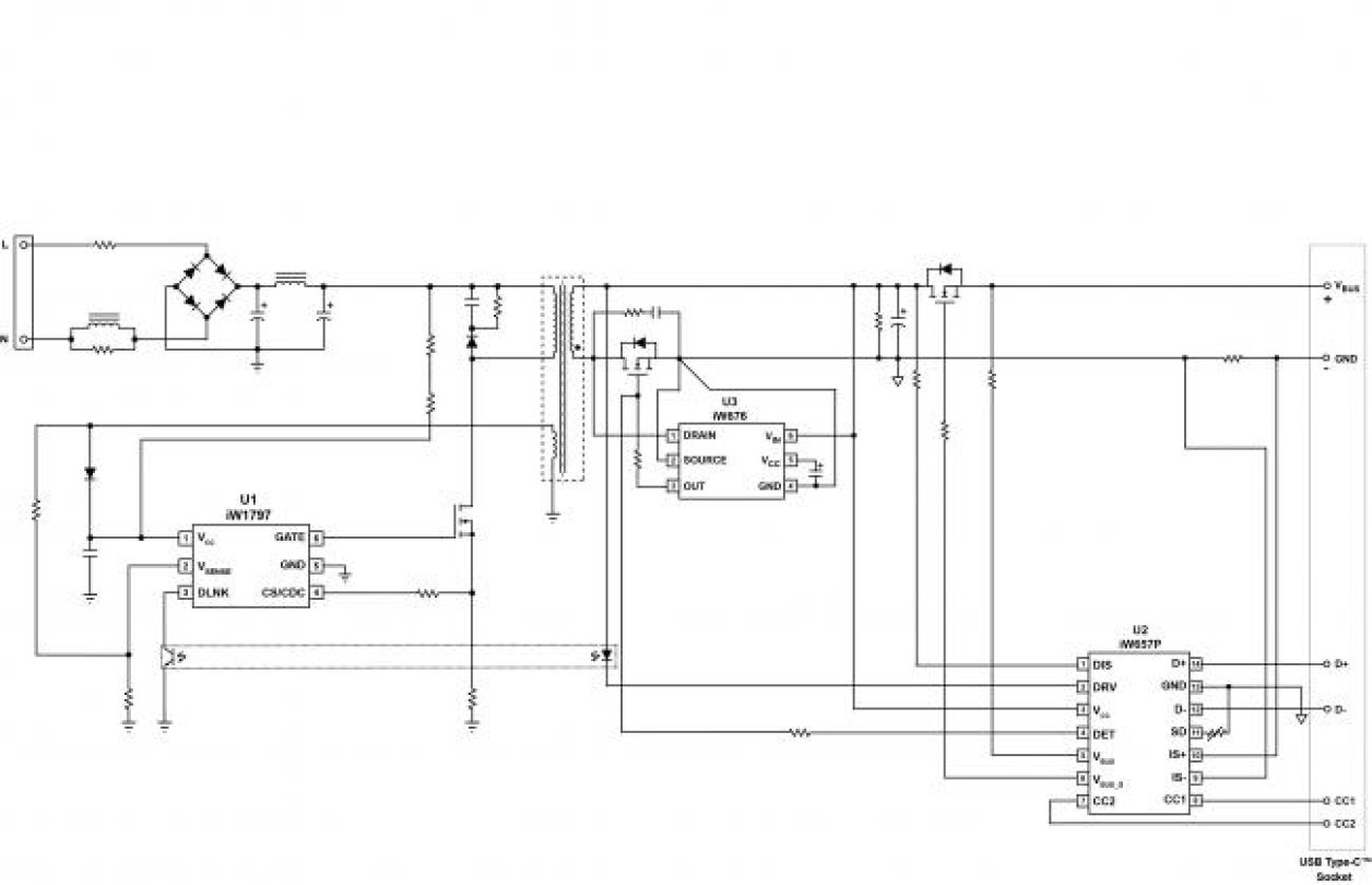
The iW1797 is a compact, 27W, high-performance AC/DC RapidCharge™ power supply controller that supports USB Power Delivery with Programmable Power Supply (USB PD PPS) and other rapid charging protocols. The device comes in a space-saving SOT23-6 package, reducing the total solution size for space-constrained applications. The iW1797 also offers high voltage and current resolution with the ability to step the voltage in 10mV increments up to 21V, ideal for USB PD PPS and Direct Charge adapters.

The iW1797 is optimized to work with Renesas' iW657P USB PD interface controller in mobile device adapters to achieve fast and smooth voltage transition on request from the mobile device. The iW657P accepts fast charging protocols, including USB PD and transmits all necessary information via an optocoupler to the iW1797, including voltage requests, output current limits, output voltage undershoot, output overvoltage, and fault and reset signals.

The device offers a full array of advanced protection features, including an advanced fault protection technology that reduces power during a fault.

Qualcomm Quick Charge is a product of Qualcomm Technologies, Inc.