| CAD 模型: | View CAD Model |
| Pkg. Type: | SOIC-8 |
| Pkg. Code: | |
| Lead Count (#): | 8 |
| Pkg. Dimensions (mm): | |
| Pitch (mm): | 1.27 |
| Moisture Sensitivity Level (MSL) | 1 |
| Pb (Lead) Free | Yes |
| ECCN (US) | EAR99 |
| HTS (US) | 8542.39.0090 |
| Lead Count (#) | 8 |
| Carrier Type | Tape & Reel |
| Moisture Sensitivity Level (MSL) | 1 |
| Pb (Lead) Free | Yes |
| Temp. Range (°C) | -40 to +125°C |
| Advanced Features | Cable Fault Protection, EZ-EMI, PrimAccurate |
| Application | Adapters, Chargers |
| Control Mode | Primary-Side Regulation Peak Current Mode DCM |
| Controller / Integrated | Controller |
| FET Driver Output Current (Max) (A) | 1 |
| MOQ | 2500 |
| No Load Power (mW) | 20 |
| Output Power (Min) (W) | 5 |
| Output Power Max (W) | 45 |
| PWMs (#) | 1 |
| Parametric Category | Flyback & Forward Controllers |
| Pass Device | FET |
| Pitch (mm) | 1.27 |
| Pkg. Type | SOIC-8 |
| Protection Features | Input OVP, OTP (internal/external), IUV, PPCL, SRSC |
| Qty. per Reel (#) | 2500 |
| Qualification Level | Standard |
| Switching Frequency (KHz) | 55 - 86 |
| Topology Characteristic | Flyback |
| UVLO Falling (V) | 7.65 |
| UVLO Rising (V) | 21 |
| VBIAS (Max) (V) | 40 |
| 已发布 | Yes |
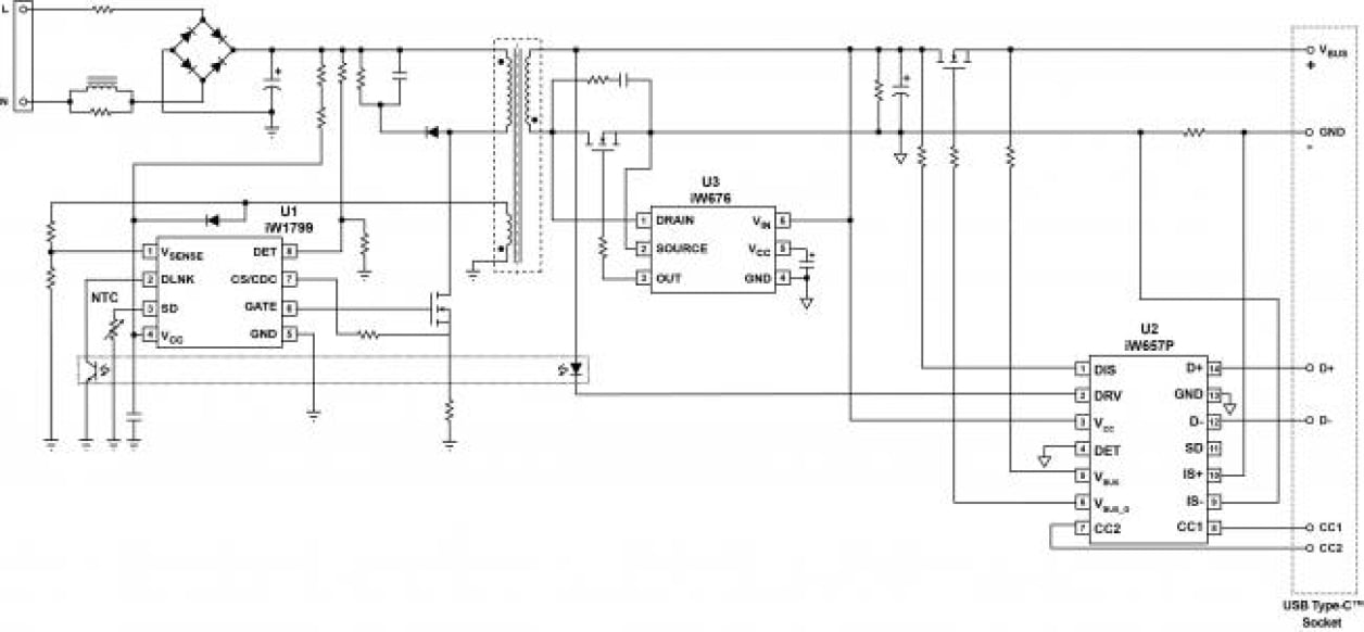
The iW1799 is a 45W output, high-performance AC/DC RapidCharge™ power supply controller that supports USB Power Delivery with Programmable Power Supply (USB PD PPS) and other rapid charging protocols. The device offers high voltage and current resolution with the ability to step the voltage in 10mV increments up to 21V, ideal for USB PD PPS and Direct Charge adapters.
The iW1799 is optimized to work with Renesas' iW657P USB PD interface controller in mobile device adapters to achieve fast and smooth voltage transition on request from the mobile device. The iW657P accepts fast charging protocols, including USB PD, and transmits all necessary information via an optocoupler to the iW1799, including voltage requests, output current limits, output voltage undershoot, output overvoltage, and fault and reset signals.
The device offers a full array of advanced protection features, including an advanced fault protection technology that reduces power during a fault, an X-Cap discharge function to safely discharge the input capacitor when the travel adapter is unplugged, and Renesas' advanced fault control technology to address soft short circuits in charger cables and connectors without latching off the output.
Qualcomm® Quick Charge™ is a product of Qualcomm Technologies, Inc.