| CAD 模型: | View CAD Model |
| Pkg. Type: | PDIP-7L |
| Pkg. Code: | |
| Lead Count (#): | 7 |
| Pkg. Dimensions (mm): | |
| Pitch (mm): | 0.003 |
| Moisture Sensitivity Level (MSL) | 1 |
| Pb (Lead) Free | Yes |
| ECCN (US) | EAR99 |
| HTS (US) | 8542.39.0090 |
| Lead Count (#) | 7 |
| Carrier Type | Carton |
| Moisture Sensitivity Level (MSL) | 1 |
| Protection Features | OTP, OVP, IUVP, PCL/OCP (w/o Latch), SRSC |
| Pb (Lead) Free | Yes |
| Temp. Range (°C) | -40 to +125°C |
| Advanced Features | AccuSwitch, EZ-EMI, PrimAccurate |
| Application | Home Appliances, Networking, Smart Meters |
| Control Mode | Primary-Side Regulation Peak Current Mode DCM |
| Controller / Integrated | Integrated |
| MOQ | 1000 |
| No Load Power (mW) | 50 |
| Output Power (Min) (W) | 1 |
| Output Power Max (W) | 15 |
| PWMs (#) | 1 |
| Parametric Category | Flyback & Forward Controllers |
| Pass Device | FET |
| Pitch (mm) | 0.003 |
| Pkg. Type | PDIP-7L |
| Price (USD) | $0.93694 |
| Qty. per Reel (#) | 1000 |
| Qualification Level | Standard |
| Simulation Model Available | diaSIM |
| Switching Frequency (KHz) | 79 - 79 |
| Topology Characteristic | Flyback |
| UVLO Falling (V) | 6.5 |
| UVLO Rising (V) | 13.7 |
| VBIAS (Max) (V) | 20 |
| 已发布 | Yes |
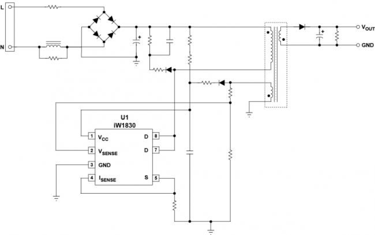
The iW1830 AccuSwitch™ digital PWM converter integrates a highly accurate control circuit with a 700V power MOSFET to provide a complete solution for off-line power conversion at up to 15W of output power.
Renesas' PrimAccurate™ primary-side digital control algorithms eliminate the need for failure-prone optocouplers and ensure excellent cross-regulation accuracy, to enable the longer operating lifetime, high performance and reduced cost required for white goods applications.
The output is designed to smoothly start-up into large capacitors while maintaining a quick turn-on time. It operates in quasi-resonant mode to optimize efficiency and incorporates a low power mode that achieves <50mW of no-load power consumption to meet global energy efficiency regulations. Additional features include full protection from over-temperature, overvoltage and overcurrent conditions as well as EZ-EMI® technology to meet global EMI specifications.
A DiaSIM™ simulation model is available for the iW1830. For more information and where to download, please visit the DiaSIM™ page.