| CAD 模型: | View CAD Model |
| Pkg. Type: | SOIC-8-EP |
| Pkg. Code: | |
| Lead Count (#): | 8 |
| Pkg. Dimensions (mm): | |
| Pitch (mm): | 1.27 |
| Moisture Sensitivity Level (MSL) | 3 |
| Pb (Lead) Free | Yes |
| ECCN (US) | EAR99 |
| HTS (US) | 8542.39.0090 |
| Lead Count (#) | 8 |
| Carrier Type | Tape & Reel |
| Moisture Sensitivity Level (MSL) | 3 |
| Pb (Lead) Free | Yes |
| Advanced Features | PrimAccurate, Flickerless, EZ-EMI |
| Application | Solid State Lighting |
| Controller / Integrated | Controller |
| Dim Range (Max) (%) | 100 |
| Dim Range (Min) (%) | 1 |
| Dimmer Functions Supported | Leading Edge, Trailing Edge, No Dimmer Support |
| Dimming Frequency (Hz) | 900 |
| Function | Dimmable |
| Key Features | PrimAccurate, Flickerless, EZ-EMI |
| LED Current Accuracy (%) | 5 |
| No Load Power (mW) | 300 |
| Optimal VIN (V) | 200 - 264 |
| Output Power (Min) (W) | 3 |
| Output Power Max (W) | 10 |
| Parametric Category | Solid State Lighting Driver ICs |
| Pass Device | FET |
| Peak Efficiency (%) | 85 |
| Pitch (mm) | 1.27 |
| Pkg. Type | SOIC-8-EP |
| Power Factor Correction | >0.7 |
| Protection Features | OVP, IOVP, UVLO, PCL/OCP, SRSC |
| Qty. per Reel (#) | 2500 |
| Stages | 1.5-Stage |
| Switching Frequency (KHz) | 200 - 200 |
| Temp. Range (°C) | -40 to +85°C |
| 已发布 | Yes |
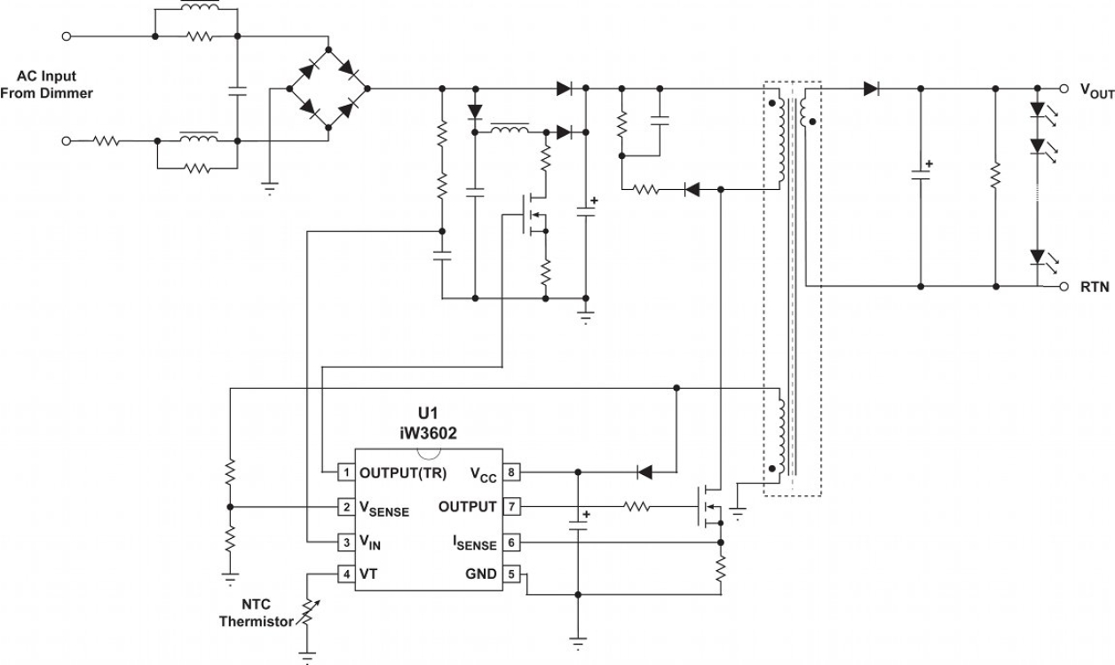
Designed to operate from a broad input voltage range of 100VAC to 230VAC, the iW3602 provides an efficient solution for 3W to 10W LED luminaires. Incorporating Renesas' proprietary Flickerless™ technology, the iW3602 removes LED flicker and permits usage with the industry's broadest range of dimmers. Additionally, the iW3602 incorporates Renesas' proprietary PrimAccurate™ primary-side control technology, minimizing the external component count by removing the need for both the traditional optocoupler and external compensation components, reducing solution size and cost.
The iW3602 integrates an over-temperature protection circuit that works with an external NTC resistor to reduce the drive to the output LEDs when an over-temperature condition is detected, enabling continuous light output while protecting the entire LED driver circuit.