| CAD 模型: | View CAD Model |
| Pkg. Type: | SOIC-14 |
| Pkg. Code: | |
| Lead Count (#): | 14 |
| Pkg. Dimensions (mm): | |
| Pitch (mm): | 1.27 |
| Moisture Sensitivity Level (MSL) | 1 |
| Pb (Lead) Free | Yes |
| ECCN (US) | EAR99 |
| HTS (US) | 8542.39.0090 |
| Lead Count (#) | 14 |
| Carrier Type | Tape & Reel |
| Moisture Sensitivity Level (MSL) | 1 |
| Pb (Lead) Free | Yes |
| Application | Solid State Lighting |
| Controller / Integrated | Controller |
| Dimmer Functions Supported | No Dimmer Support |
| Function | Non-Dimmable |
| Key Features | PrimAccurate, Flickerless |
| LED Current Accuracy (%) | 5 |
| MOQ | 2500 |
| No Load Power (mW) | 300 |
| Optimal VIN (V) | 120 - 277 |
| Output Power (Min) (W) | 5 |
| Output Power Max (W) | 120 |
| Parametric Category | Solid State Lighting Driver ICs |
| Pass Device | FET |
| Pitch (mm) | 1.27 |
| Pkg. Type | SOIC-14 |
| Power Factor Correction | >0.95 |
| Protection Features | OVP, IOVP, UVLO, PCL/OCP, OTP, SRSC |
| Qty. per Reel (#) | 2500 |
| Stages | Two-Stage |
| Switching Frequency (KHz) | 200 - 200 |
| Temp. Range (°C) | -40 to +85°C |
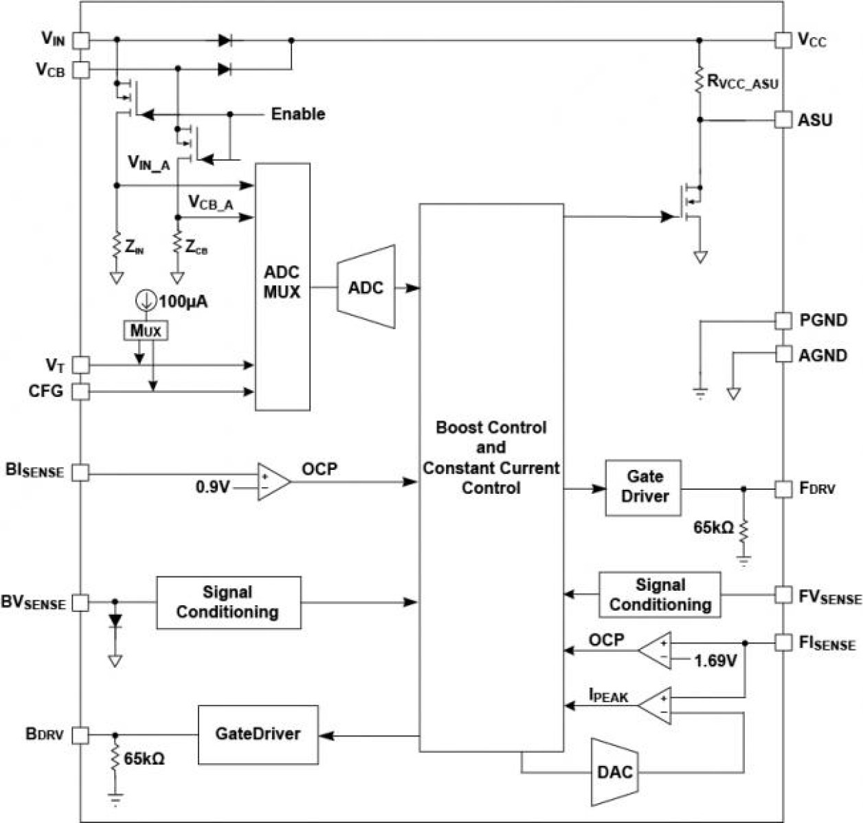
The iW3629 two-stage, non-dimmable LED driver is a digital offline PWM controller for solid-state lighting (SSL) applications up to 120W with high power factor (PF >0.95) and low THD (<10%).
The two-stage approach allows the first-stage boost converter to convert the rectified AC voltage (90VAC to 277VAC) to an intermediate voltage while correcting for power factor. The second-stage flyback converter then provides the constant current regulation to the LEDs. The combination of an active start-up circuit and fast yet smooth soft-start for both boost and flyback stages results in a start-up time (AC plug-in to 90% of set LED current) of less than a half-second and fast PF settling time.
The iW3629 operates in a quasi-resonant mode to provide high efficiency and uses Renesas' PrimAccurate™ advanced primary-side sensing technology to achieve excellent line and load regulation without secondary-feedback components. And, by using Renesas' Flickerless™ technology, virtually all flicker is removed from the output. The digital control algorithms used by the iW3629 maintain stability over all operating conditions without the need for any external loop compensation components, minimizing the BOM cost.