特性
- Up to 120W Output Power
- High PF (>0.95) and Low THD (<10%) Over Entire Input Voltage Range and 50% to 100% Load Current Range
- Flickerless™ Technology
- Eliminates Virtually All LED Flicker
- <5% Line Frequency Ripple on the Output Current
- Fast Start-up Time <0.5
- Fully Protected
- LED Open/Short Circuit Protection
- Single Fault Protection
- Current Sense Resistor Short Protection
- Input Overvoltage and Brown-Out Protection
- Over-Temperature Derating Protection with External NTC
描述
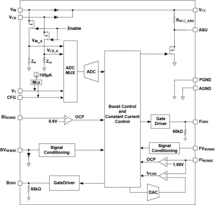
The iW3629 two-stage, non-dimmable LED driver is a digital offline PWM controller for solid-state lighting (SSL) applications up to 120W with high power factor (PF >0.95) and low THD (<10%).
The two-stage approach allows the first-stage boost converter to convert the rectified AC voltage (90VAC to 277VAC) to an intermediate voltage while correcting for power factor. The second-stage flyback converter then provides the constant current regulation to the LEDs. The combination of an active start-up circuit and fast yet smooth soft-start for both boost and flyback stages results in a start-up time (AC plug-in to 90% of set LED current) of less than a half-second and fast PF settling time.
The iW3629 operates in a quasi-resonant mode to provide high efficiency and uses Renesas' PrimAccurate™ advanced primary-side sensing technology to achieve excellent line and load regulation without secondary-feedback components. And, by using Renesas' Flickerless™ technology, virtually all flicker is removed from the output. The digital control algorithms used by the iW3629 maintain stability over all operating conditions without the need for any external loop compensation components, minimizing the BOM cost.
产品参数
| 属性 | 值 |
|---|---|
| Function | Non-Dimmable |
| Output Power Max (W) | 120 |
| Switching Frequency (KHz) | 200 - 200 |
| No Load Power (mW) | 300 |
| Optimal VIN (V) | 120 - 277 |
| Stages | Two-Stage |
| Controller / Integrated | Controller |
| Key Features | PrimAccurate, Flickerless |
| Protection Features | OVP, IOVP, UVLO, PCL/OCP, OTP, SRSC |
| Dimmer Functions Supported | No Dimmer Support |
| Pass Device | FET |
| Power Factor Correction | >0.95 |
| LED Current Accuracy (%) | 5 |
| Output Power (Min) (W) | 5 |
封装选项
| Pkg. Type | Lead Count (#) | Pitch (mm) |
|---|---|---|
| SOIC-14 | 14 | 1.27 |
应用
- Non-Dimmable LED Lamps and Luminaires
- External Lighting Ballast Drivers
当前筛选条件