跳转到主要内容
瑞萨电子 (Renesas Electronics Corporation)

特性

  • Supports Qualcomm QC2.0 High Voltage Dedicated Charging Port (HVDCP) Class A with voltage configuration of 5V, 9V and 12V
  • Supports divider mode with D+/D- at 2.7V/2.0V for 2.1A rapid charging
  • Optionally supports Samsung Adaptive Fast Charging (AFC) for output voltage and current negotiation
  • Backward compatible with USB Battery Charging Specification Revision 1.2 (USB BC1.2) DCP
  • Backward compatible with Chinese Telecom Standard YD/T 1591-2009 Shorted Mode
  • Automatically differentiates mobile devices and determines rapid charging protocols
  • Proprietary D+/D- OVP and proprietary D-impedance detection address soft short issues in the output cables and connectors and provides protection against damages
  • Programmable active fast discharge from 9V/12V to 5V at MD unplug or from a high voltage level to a lower level upon request with built-in switch or external switch
  • Normally OFF state with <120μA cut-off current during 5V steady-state operation to achieve ultra-low power consumption at no load
  • Wide operating voltage range from 3V to 25V

描述

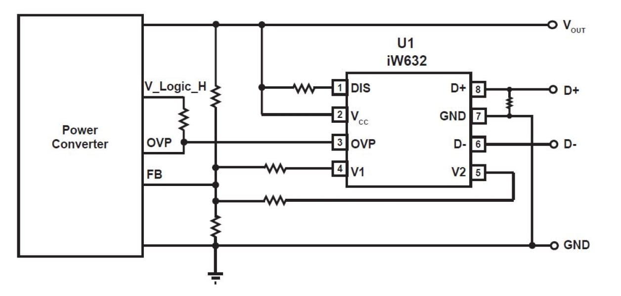
The iW632 is a RapidCharge™ Dedicated Charging Port (DCP) controller for Qualcomm® Quick Charge™ 2.0 (QC2.0) technology, optional Samsung Adaptive Fast Charging (AFC) and divider mode USB interface. It allows rapid charging of QC2.0 or divider mode enabled mobile devices, and it automatically identifies QC2.0, AFC and divider mode protocols. The iW632 resides on the USB port of the power adapter and allows the adapter to be configured for multi-level output such as 5V, 9V or 12V depending on the voltage requested by the mobile device.

It can be used in DC/DC power converter systems to achieve smooth voltage transition and low no-load power consumption. The iW632 implements three output pins for output feedback ratio change, output overvoltage, and fault and reset signals. In addition, iW632 also implements proprietary D+/D- overvoltage protection (OVP) and proprietary D- impedance detection to address soft short issues in the output cables and connectors that can be caused by such things as a poor or loose connection between the cable connector and the socket, contamination in the USB connector, or a worn-out cable, and provides protection against the damages.

应用

  • DC/DC converters/chargers for smart phones, tablets and other mobile devices

当前筛选条件