跳转到主要内容
瑞萨电子 (Renesas Electronics Corporation)
AC/DC Secondary-Side Controller for Qualcomm Quick Charge 3.0 USB Interface

封装信息

CAD 模型:View CAD Model
Pkg. Type:SOT23-6L
Pkg. Code:
Lead Count (#):6
Pkg. Dimensions (mm):0.118 x 0.118 x 0.0512
Pitch (mm):0.95

环境和出口类别

Moisture Sensitivity Level (MSL)1
Pb (Lead) FreeYes
ECCN (US)EAR99
HTS (US)8542.39.0090

产品属性

Lead Count (#)6
Carrier TypeTape & Reel
Moisture Sensitivity Level (MSL)1
Pb (Lead) FreeYes
ApplicationQualcomm® Quick Charge™ 3.0 and 2.0 Adapters, Companion to iW1782
Compatible Primary-Side ICiW1780H, iW1781, iW1782
FunctionRapidCharge™ Protocol IC
Parametric CategorySynchronous Rectifier Controllers
Pitch (mm)0.95
Pkg. Dimensions (mm)0.118 x 0.118 x 0.0512
Pkg. TypeSOT23-6L
Qty. per Reel (#)3000
Supported ProtocolsQC2.0, QC3.0
Temp. Range (°C)-40 to +85°C

描述

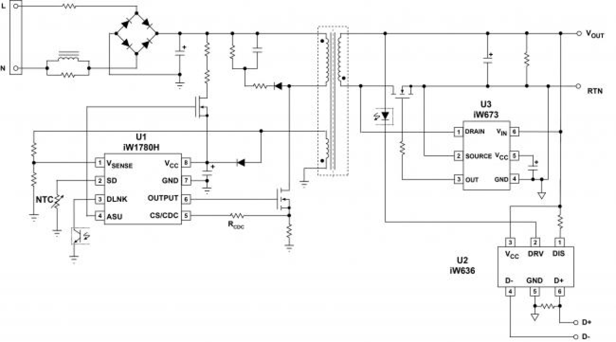
The iW636 is a Rapid Charge™ secondary-side controller for USB interface supporting Qualcomm® Quick Charge™ 3.0 (QC3.0) technology and secondary-to-primary communication protocol, that works with the iW1782 or iW1780H primary-side AC/DC digital controller to enable rapid charging of QC3.0/QC2.0-enabled mobile devices.

The iW636 integrates an optocoupler driver that relays commands to the iW1782 or iW1780H AC/DC controllers. These chipsets provide efficiency as high as 90% to enable the higher power density needed for small form factor fast charging adapters. It also uses Renesas' SmartDefender™ smart hiccup technology to help address soft shorts in cables and connectors.

Qualcomm Quick Charge is a product of Qualcomm Technologies, Inc.