特性
- Supports Multiple RapidCharge Protocols:- USB PD 3.0 Programmable Power Supply (PPS)
- Qualcomm Quick Charge 4+
- Direct Charge
- Other RapidCharge Protocols
 
- Compatible with USB Type-C Rev. 1.2
- Supports a Wide Output Voltage Range from 3.3V to 21V
- NMOS VBUS Switch Lowers System Cost
- VCONN Support for Smart Cables
- Single Optocoupler for All Rapid Charge Information
- Low No-Load Power Consumption <20mW
- High Efficiency up to 90%
- Double-Layer Cable Protection:- Secondary side (iW656P): D+/D-/CC1/CC2 Overvoltage Protection; Optional Secondary-Side Current Sensing Circuit for Over-Load Fault Protection
- Primary side (iW1791, iW1797, iW1799): Advanced Cable Fault Protection Reduces Average Output Power at Fault
 
- Automatic AC Un-Plug Detection- Protects Phone Battery from Damage Due to High Voltage Exposure if Charger is Unplugged then Re-Plugged into Mains with Charging Cable Still Connected
 
描述
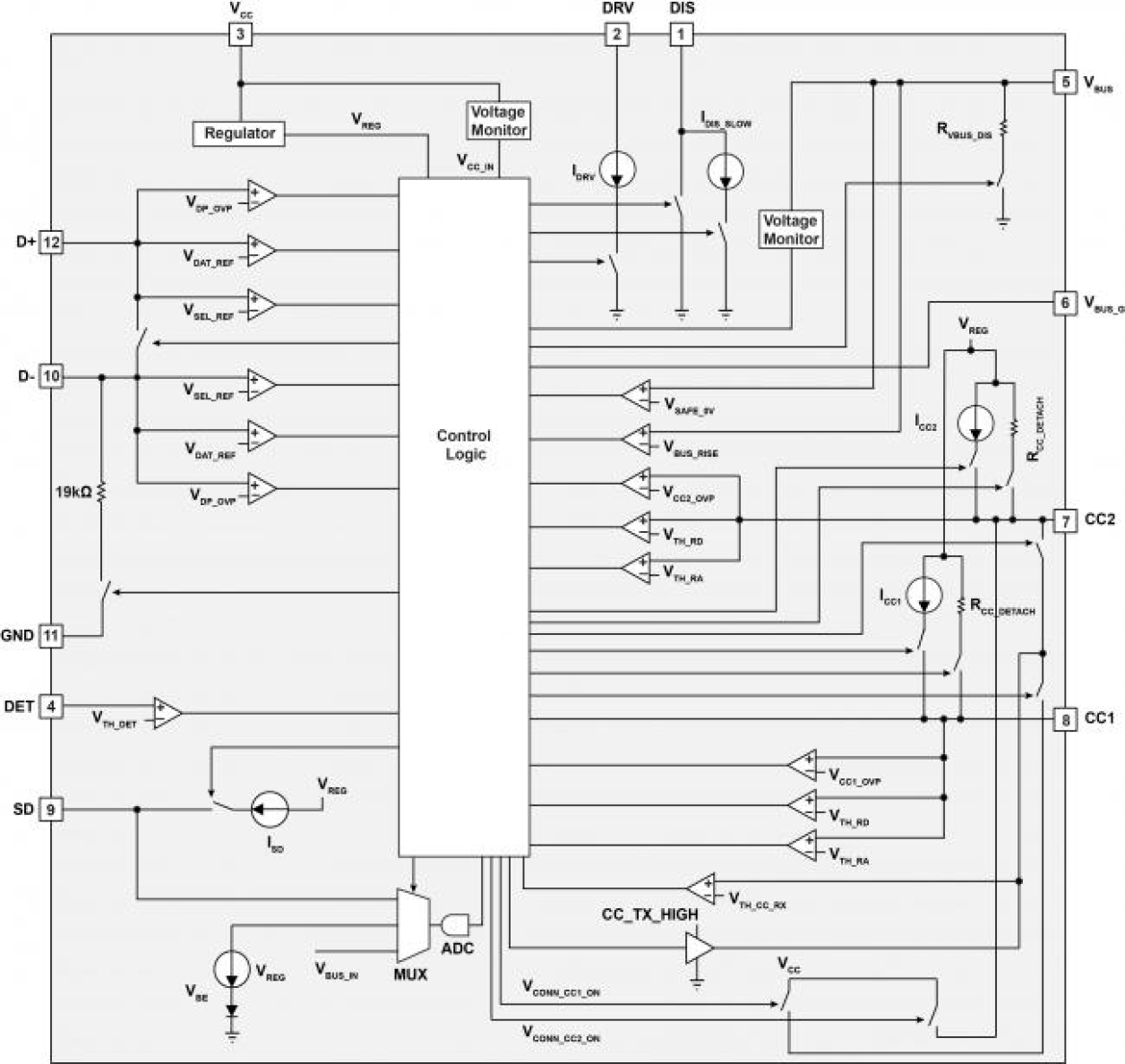
The iW656P USB Power Delivery (USB PD) 3.0 interface controller resides on the secondary side of the AC/DC power supply and manages the communication between the power adapter and mobile device.
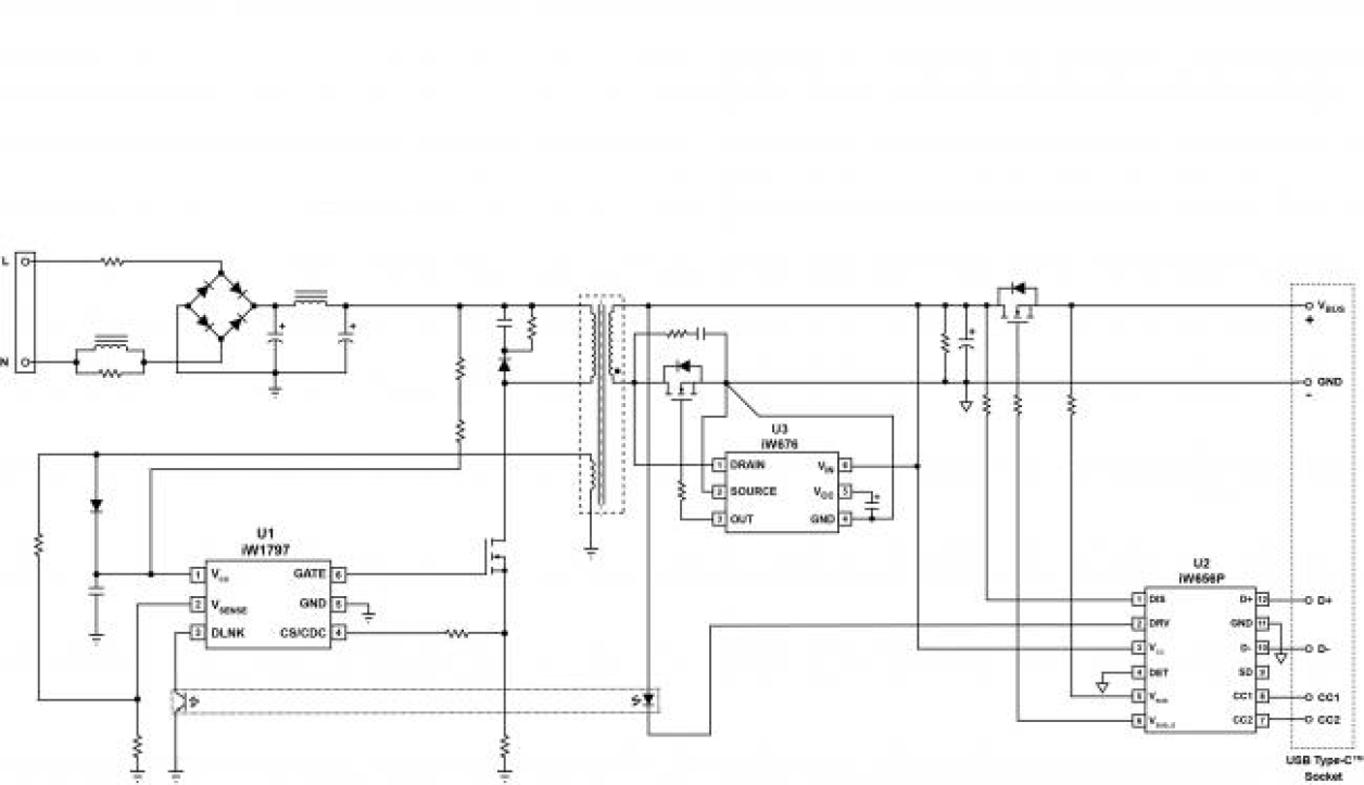
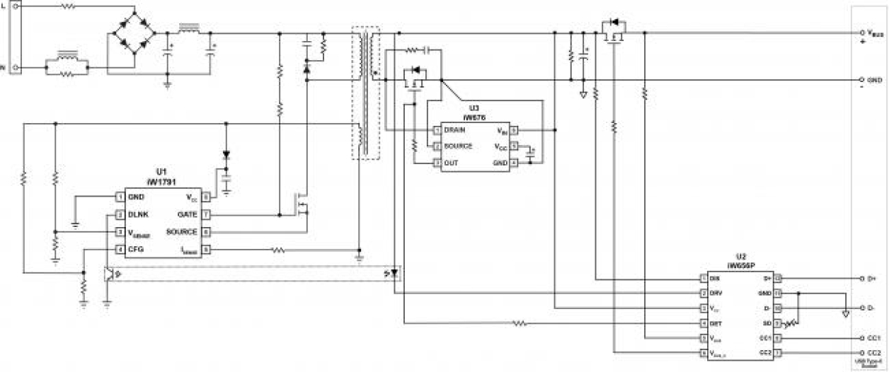
The iW656P works with Renesas' (iW1791, iW1797, iW1799) RapidCharge™ primary-side controller and supports fast charging protocols, including USB PD 3.0, Qualcomm® Quick Charge 4+, and direct charging. It transmits all necessary information via an optocoupler to the primary side, including voltage requests, output current limits, output voltage undershoot, output overvoltage, and fault and reset signals.
The iW656P also works with Renesas' iW676 synchronous rectifier, which eliminates the need for a parallel Schottky diode for higher efficiency and lower bill of materials (BOM) cost.
For a USB PD 3.0 interface controller with integrated current sense, see iW657P.
Qualcomm Quick Charge is a product of Qualcomm Technologies, Inc.
应用
- USB PD 3.0 AC/DC Power Adapters for Smartphones, Tablets, Laptops, and Other Mobile Devices
- USB PD 3.0 Power Supplies for Set-Top Boxes, Displays, Speakers
- USB PD 3.0 In-the-Wall Receptacles
- Lamps and Lighting Fixtures with USB PD 3.0 Ports
当前筛选条件
 
 
 
 
 
 
 
