跳转到主要内容
2.5V/3.3V,1:5 Differential ECL/PECL/HSTL/LVDS Clock Driver

封装信息

CAD 模型: View CAD Model
Pkg. Type: TSSOP
Pkg. Code: PGG20
Lead Count (#): 20
Pkg. Dimensions (mm): 6.5 x 4.4 x 1.0
Pitch (mm): 0.65

环境和出口类别

Pb (Lead) Free Yes
ECCN (US) EAR99
HTS (US) 8542.39.0090
Moisture Sensitivity Level (MSL) 1

产品属性

Pkg. Type TSSOP
Lead Count (#) 20
Pb (Lead) Free Yes
Carrier Type Reel
Core Voltage (V) 2.5V, 3.3V
Function Buffer, Multiplexer
Input Freq (MHz) 2000
Input Type HSTL, LVPECL
Inputs (#) 2
Length (mm) 6.5
MOQ 2500
Moisture Sensitivity Level (MSL) 1
Output Banks (#) 1
Output Freq Range (MHz) 2000
Output Skew (ps) 45
Output Type LVPECL
Output Voltage (V) 2.5V, 3.3V
Outputs (#) 5
Package Area (mm²) 28.6
Pb Free Category e3 Sn
Pitch (mm) 0.65
Pkg. Dimensions (mm) 6.5 x 4.4 x 1.0
Qty. per Carrier (#) 0
Qty. per Reel (#) 3000
Reel Size (in) 13
Requires Terms and Conditions Does not require acceptance of Terms and Conditions
Tape & Reel Yes
Temp. Range (°C) 0 to 70°C
Thickness (mm) 1
Width (mm) 4.4
已发布 No

描述

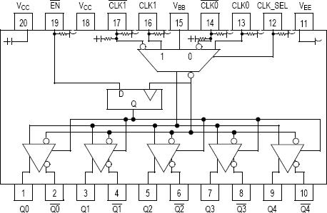
The MC100ES6014 is a low skew 1-to-5 differential driver, designed with clock distribution in mind, accepting two clock sources into an input multiplexer. The ECL/PECL input signals can be either differential or single-ended (if the VBB output is used). HSTL and LVDS inputs can be used when the ES6014 is operating under PECL conditions. The ES6014 specifically guarantees low output-to-output skew. Optimal design, layout, and processing minimize skew within a device and from device to device. To ensure that the tight skew specification is realized, both sides of any differential output need to be terminated identically into 50 ? even if only one output is being used. If an output pair is unused, both outputs may be left open (unterminated) without affecting skew. The common enable (EN) is synchronous, outputs are enabled/disabled in the LOW state. This avoids a runt clock pulse when the device is enabled/disabled as can happen with an asynchronous control. The internal flip flop is clocked on the falling edge of the input clock; therefore, all associated specification limits are referenced to the negative edge of the clock input. The MC100ES6014, as with most other ECL devices, can be operated from a positive VCC supply in PECL mode. This allows the ES6014 to be used for high performance clock distribution in +3.3 V or +2.5 V systems. Single ended CLK input pin operation is limited to a VCC ? 3.0 V in PECL mode, or VEE ? –3.0 V in ECL mode. Designers can take advantage of the ES6014's performance to distribute low skew clocks across the backplane or the board.