跳转到主要内容
瑞萨电子 (Renesas Electronics Corporation)

特性

  • 2 GHz maximum output frequency
  • 25 ps maximum output-to-output skew
  • 150 ps part-to-part skew
  • 350 ps typical propagation delay
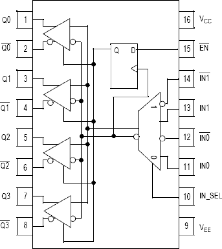
  • 2:1 differential MUX input
  • 2.5 / 3.3 V operating range
  • LVPECL and HSTL input compatible
  • 16-lead TSSOP package
  • Temperature range –40°C to +85°C
  • 16-lead Pb-free package available

描述

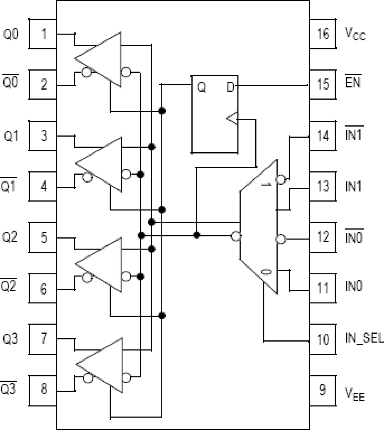
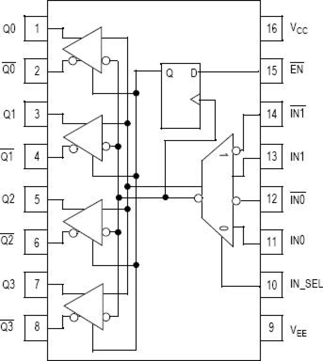
The MC100ES6130 is a 2.5 GHz differential PECL 1:4 fanout buffer. The ES6130 offers a wide operating range of 2.5 V and 3.3 V and also features a 2:1 input MUX which is ideal for redundant clock switchover applications. This device also includes a synchronous enable pin that forces the outputs into a fixed logic state. Enable or disable state is initiated only after the outputs are in a LOW state to eliminate the possibility of a runt clock pulse.

当前筛选条件