概览
描述
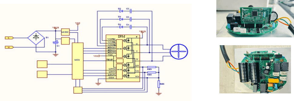
上海铃岳科技携手瑞萨电子,开发出基于 RX13T 的工业风扇驱动交钥匙级别解决方案。通过使用 RX13T 高效处理内核,灵活的马达控制定时器及先进的模拟外设,实现永磁无刷直流电机驱动,最高转速可达 12000 转每分钟。用户通过参考硬件设计资料及固件,可以节省产品研发时间,快速进入市场。自此以外,我们也提供可供测试的硬件,客制化服务,直流和永磁同步电机。
特性
- 主控平台:RX13T R5F513T3ADFL
- 目标电机:三相永磁直流无刷电机
- 控制方式:无感FOC
- 控制模式:恒转速、恒扭矩、恒功率、恒风量
- 电压等级:220 Vac / 380 Vac / DC 310V / DC 110V
- 功率范围:0.4~7.5KW,预留功率因数调整功能
- 转速范围:300~12000 rpm
- VSP/PWM调速:支持VSP(0-10V)信号调速、兼容PWM(0-100%、频率1-10K)调速,信号隔离,安全确保
- 技术特性:启动控制、高转速运行、电子刹车、刹车停机等


