跳转到主要内容
瑞萨电子 (Renesas Electronics Corporation)

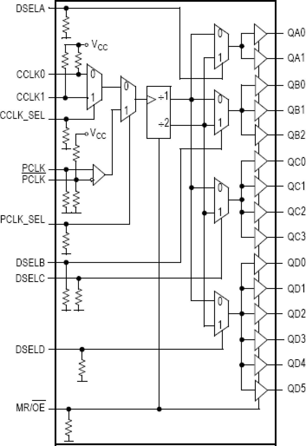
特性

  • 15 LVCMOS compatible clock outputs
  • Two selectable LVCMOS and one differential LVPECL compatible clock inputs
  • Selectable output frequency divider (divide-by-one and divide-by-two)
  • Maximum clock frequency of 200 MHz
  • Maximum clock skew of 200 ps
  • High-impedance output control
  • 3.3 V or 2.5 V power supply
  • Drives up to 30 series terminated clock lines
  • Ambient temperature range –40°C to +85°C
  • 52-lead LQFP packaging
  • 52-lead Pb-free package available
  • Supports clock distribution in networking, telecommunication and computing applications
  • Pin and function compatible to MPC949

描述

The MPC9449 is a 3.3 V or 2.5 V compatible, 1:15 clock fanout buffer targeted for high performance clock tree applications. With output frequencies up to 200 MHz and output skews less than 200 ps the device meets the needs of the most demanding clock applications.

当前筛选条件