跳转到主要内容
瑞萨电子 (Renesas Electronics Corporation)

特性

  • Power transfer up to 5W
  • Wide input voltage range: 4.25V to 21V
  • WPC compatible
  • Integrated step-down switching regulator
  • Embedded 32-bit Arm® Cortex®-M0 processor
  • Integrated drivers for external power FETs
  • Simultaneous voltage and current demodulation scheme for robust communication
  • Integrated current sense amplifier
  • Low standby power
  • Dedicated remote temperature sensing
  • Two LED outputs that can indicate power transfer and fault conditions
  • Foreign object detection (FOD)
  • Active-Low Enable pin for electrical on/off
  • Overcurrent and over-temperature protection
  • Supports I²C interface
  • -40 °C to +85 °C ambient operating temperature range
  • 5mm x 5mm 40-VFQFPN RoHS-compliant package

描述

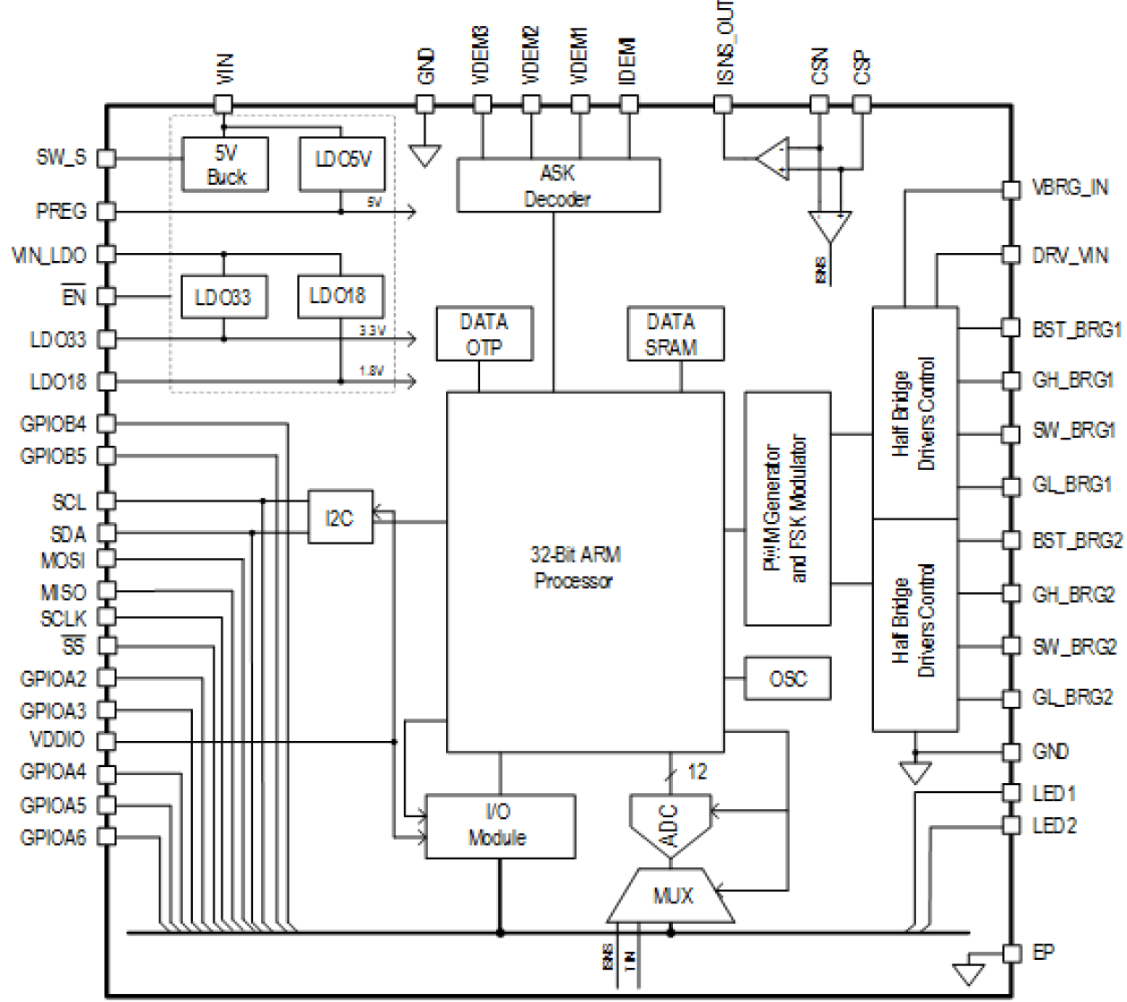
The P9235A-RB is a highly integrated, magnetic induction, wireless power transmitter supporting up to 5W of total wireless system power. The P9235-RB offers a pre-programmed bootloader that must be used in conjunction with an external flash memory that contains control firmware. This architecture gives the user the flexibility to change the firmware in the external flash to meet application-specific requirements. Renesas also provides firmware to implement standard WPC coil configurations such as the A11a.

The P9235A-RB includes undervoltage lockout (UVLO), foreign object detection (FOD), and a thermal management circuit to safeguard the device under fault conditions. Together with the P9225-R receiver (RX), the P9235A-RB forms a complete 5W wireless power system solution.

The P9235A-RB is available in a Pb-free, space-saving 5mm x 5mm 40-VFQFPN package. The product is rated over an operating temperature range of -40 °C to +85 °C.

当前筛选条件