| CAD 模型: | View CAD Model |
| Pkg. Type: | VFQFPN |
| Pkg. Code: | NDG48 |
| Lead Count (#): | 48 |
| Pkg. Dimensions (mm): | 6.0 x 6.0 x 0.9 |
| Pitch (mm): | 0.4 |
| Moisture Sensitivity Level (MSL) | 3 |
| Pb (Lead) Free | Yes |
| ECCN (US) | |
| HTS (US) |
| Description | Bootloader only |
| Pkg. Type | VFQFPN |
| Lead Count (#) | 48 |
| Carrier Type | Tray |
| Function | Power Transmitter |
| Input Voltage Range (V) | 4.25 - 21 |
| Length (mm) | 6 |
| MOQ | 490 |
| Moisture Sensitivity Level (MSL) | 3 |
| Output Power Max (W) | 15 |
| Package Area (mm²) | 36 |
| Pb (Lead) Free | Yes |
| Pb Free Category | e3 Sn |
| Pitch (mm) | 0.4 |
| Pkg. Dimensions (mm) | 6.0 x 6.0 x 0.9 |
| Qty. per Carrier (#) | 490 |
| Qty. per Reel (#) | 0 |
| Requires Terms and Conditions | Does not require acceptance of Terms and Conditions |
| Tape & Reel | No |
| Temp. Range (°C) | -40 to 85°C |
| Thickness (mm) | 0.9 |
| Width (mm) | 6 |
| Wireless Power Standard | WPC 1.2 |
| 已发布 | No |
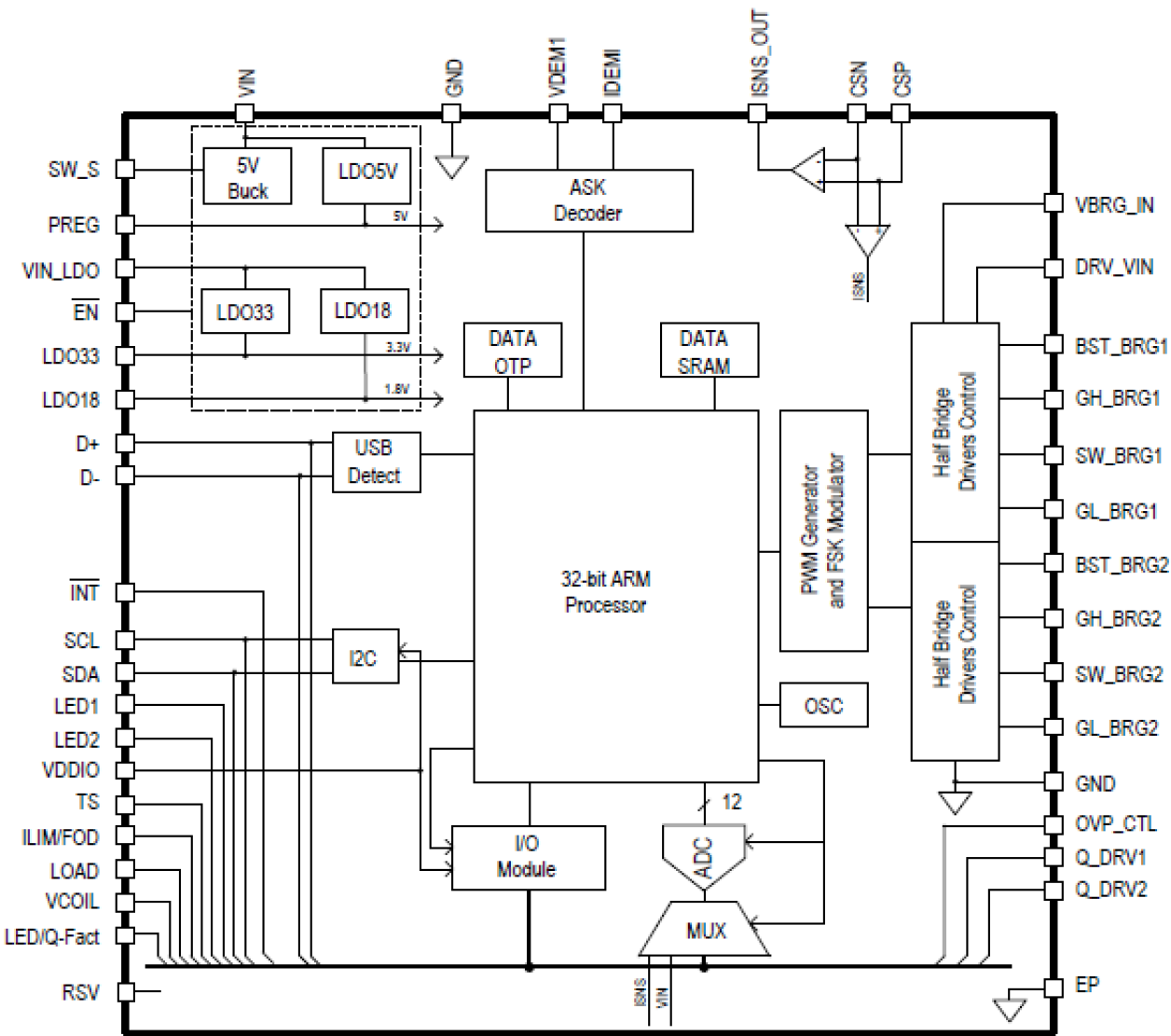
The P9242-R3 is a highly integrated 15W magnetic induction wireless power transmitter with in-band, bidirectional data communication requiring no additional circuitry. The communication channel can be used for proprietary device authentication and secure system data transfer.
The P9242-R3 includes a 32-bit Arm® Cortex®-M0 processor, foreign object detection (FOD), wide input voltage range operation, full bridge drivers, and on-chip simultaneous voltage and current demodulation.
In addition, the P9242-R3 features programmable over-current protection, programmable LED output blinking pattern, and I²C serial interface protocol to read back information such as voltage, current, and fault conditions. This standard device is compliant with the WPC 1.2 specification. Combined with the P9221-R3 receiver, the P9242-R3 forms a complete wireless power system solution for 15W applications with bidirectional data communication.
The P9242-R3 has the bootloader and application firmware pre-programmed into internal one-time programmable (OTP) memory.
The P9242-RB, which is pin-compatible with the P9242-R3, has only the bootloader pre-programmed into OTP memory
and uses external flash for the application firmware so that it can be changed for specific system requirements.
The P9242-R3 and P9242-RB are available in a lead-free, space-saving 48-VFQFN package. It is rated for -40 ºC to +85 ºC ambient operating temperature range.