跳转到主要内容
瑞萨电子 (Renesas Electronics Corporation)

特性

  • Power transfer up to 15W at receiver side
  • Wide input voltage range: 5V to 19V
  • WPC-1.2.4 compatible, MP-A11 coil configuration
  • Supports system parameters configuration using a GUI
  • Integrated drivers for external power MOSFETs
  • Embedded 32-bit ARM® Cortex®-M0 processor (trademark of ARM, Ltd.)
  • Simultaneous voltage and current demodulation scheme for WPC communication
  • Integrated current sense amplifier
  • Supports accurate 127.7kHz frequency operation
  • Feedback control for external input step-down regulator
  • Dedicated remote temperature sensing
  • User-programmable power transfer LED indicators
  • User-programmable foreign objects detection (FOD)
  • WPC EPP-based Q-factor detection
  • Active-LOW enable pin for electrical on/off
  • Over-current and over-temperature protection
  • Supports I2C interface
  • -40°C to +85°C ambient operating temperature range
  • 48-VFQFPN (6 × 6 mm) RoHS-compliant package

描述

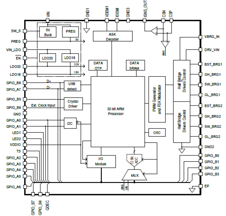
The P9243-GB is a highly integrated, magnetic induction, wireless power transmitter that supports up to 15W in compliance with the WPC-1.2.4 specification or proprietary applications. It is compatible with all popular wireless charging protocols including the WPC Baseline Power Profile (BPP), Extended Power Profile (EPP), up to 7.5W charging for iPhones, and Samsung Fast Charge. This system-on-chip solution (SoC) operates with an input voltage range of 5V to 19V.

The P9243-GB transmitter IC includes an industry-leading 32-bit ARM® Cortex®-M0 processor, offering a high level of programmability and extremely low standby power consumption. The P9243-GB has only pre-programmed bootloader firmware in the internal memory, and must be used in conjunction with an external flash memory that contains application firmware. This architecture gives the user the flexibility to change the firmware in the external flash to meet application-specific requirements. For a sizeable business opportunity, the application firmware can also be loaded into the internal OTP memory and flash can be removed.

The device is specially designed to support fixed frequency operation as described in the WPC MP-A11 coil configuration with an external input step-down buck regulator. It uses an external oscillator for very accurate 127.7kHz fixed frequency operation.

The P9243-GB is available in a lead-free, space-saving 48-VFQFPN package. The product is rated for a -40ºC to +85ºC operating temperature range.

当前筛选条件