| CAD 模型: | View CAD Model |
| Pkg. Type: | VFQFPN |
| Pkg. Code: | NDG48 |
| Lead Count (#): | 48 |
| Pkg. Dimensions (mm): | 6.0 x 6.0 x 0.9 |
| Pitch (mm): | 0.4 |
| Pb (Lead) Free | Yes |
| Moisture Sensitivity Level (MSL) | 3 |
| ECCN (US) | |
| HTS (US) |
| Pkg. Type | VFQFPN |
| Lead Count (#) | 48 |
| Pb (Lead) Free | Yes |
| Carrier Type | Tray |
| Function | Power Transmitter |
| Input Voltage Range (V) | 4.25 - 21 |
| Length (mm) | 6 |
| MOQ | 490 |
| Moisture Sensitivity Level (MSL) | 3 |
| Output Power Max (W) | 20 |
| Package Area (mm²) | 36 |
| Pb Free Category | e3 Sn |
| Pitch (mm) | 0.4 |
| Pkg. Dimensions (mm) | 6.0 x 6.0 x 0.9 |
| Qty. per Carrier (#) | 490 |
| Qty. per Reel (#) | 0 |
| Requires Terms and Conditions | Does not require acceptance of Terms and Conditions |
| Tape & Reel | No |
| Temp. Range (°C) | -40 to 85°C |
| Thickness (mm) | 0.9 |
| Width (mm) | 6 |
| Wireless Power Standard | WPC 1.2 |
| 已发布 | No |
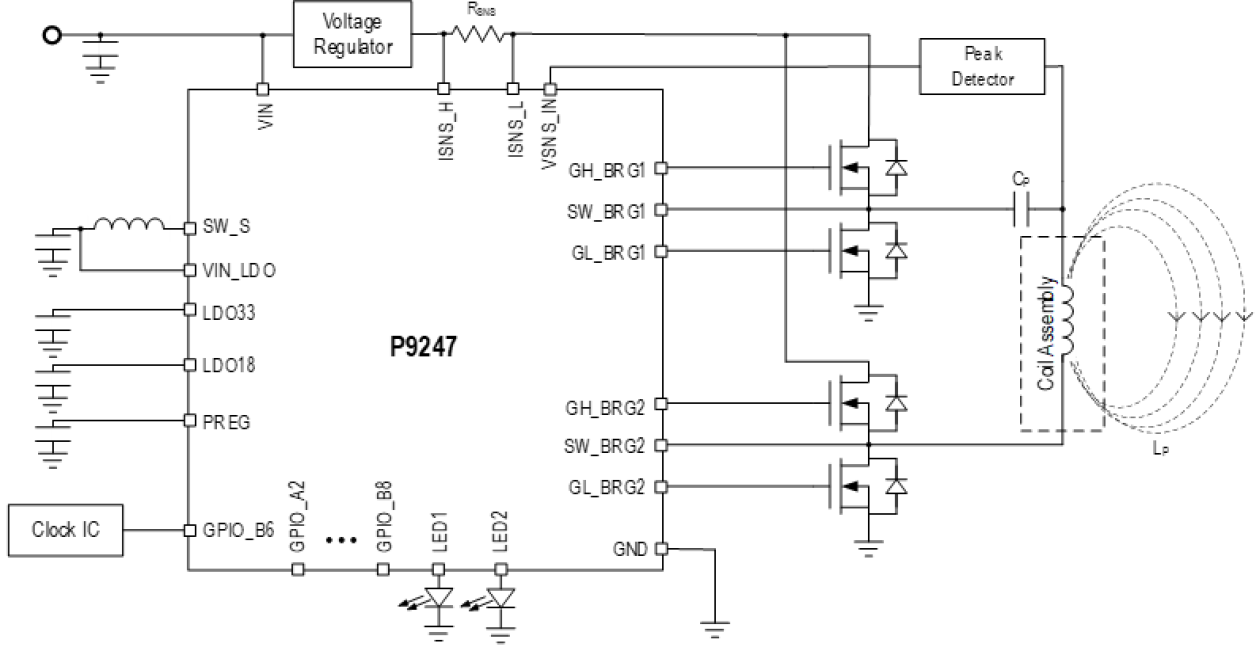
The P9247 is a highly integrated, magnetic induction, wireless power transmitter that supports up to 15W in compliance with the WPC-1.2.4 specification and 30W in proprietary applications. The device is compatible with all popular wireless charging protocols including the WPC Baseline Power Profile (BPP), Extended Power Profile (EPP), up to 7.5W charging for iPhones, and Android proprietary fast charging modes. This system-on-chip solution (SoC) operates with an input voltage range of 5V to 19V and supports various types of wall adapters.
The P9247 includes an industry-leading 32-bit Arm® Cortex®-M0 processor, offering a high level of programmability and extremely low standby power consumption. The P9247 generates power through the power coil, detects the presence of a wireless power receiver, decodes the communication packets from the receiver, and adjusts the transmitted power by controlling the voltage based on feedback from the receiver. The transmitter also features a wide range of system protections, such as overcurrent, overvoltage, undervoltage lockout, and real-time foreign object detection (FOD), ensuring maximum utility and safety for customers. The transmitter also allows for power adjustment via frequency, duty-cycle, and/or bridge voltage adjustment, and offers a significant margin to EMI requirements in all regions of the world.
The P9247 is available in a lead-free, space-saving 48-VFQFPN package. The product is rated for a -40 °C to +85 °C operating temperature range.
For information regarding evaluation boards and material, contact your local Renesas sales representative.