特性
- Input/output voltage range: 5V to 55V, withstands 60V transients
- Supports synchronous or standard boost topology
- Peak current mode control with adjustable slope compensation
- Secondary average current control loop
- Integrated 5V 2A sourcing/3A sinking N-channel MOSFET drivers
- Switching frequency: 50kHz to 1.1MHz per phase
- External synchronization
- Programmable minimum duty cycle
- Programmable adaptive dead time control
- Optional diode emulation and phase dropping
- PWM and analog track function
- Forced PWM operation with negative current limiting and protection
- Comprehensive fault protections
- Selectable hiccup or latch-off fault response
- AEC-Q100 qualified, Grade 1: -40°C to +125°C
- 5mmx5mm 32 Ld Wettable Flank QFN (WFQFN) package
描述
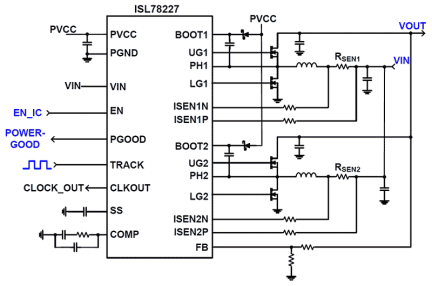
The ISL78227 is an automotive grade (AEC-Q100 Grade 1), 2-phase, 55V synchronous boost controller that simplifies the design of high power boost applications. It integrates strong half-bridge drivers, an analog/digital tracking input, and comprehensive protection functions. The ISL78227 enables a simple, modular design for systems requiring power and thermal scalability. It offers peak-current mode control for fast line response and simple compensation. Its synchronous 2-phase architecture enables it to support higher current while reducing the size of input and output capacitors. The integrated drivers feature programmable adaptive dead time control offering flexibility in power stage design. The ISL78227 offers a 90° output clock and supports 1-, 2-, and 4-phases. The ISL78227 offers a highly robust solution for the most demanding environments. Its unique soft-start control prevents large negative current even in extreme cases, such as a restart under high output prebias on high volume capacitances. It also offers two levels of cycle-by-cycle overcurrent protection, average current limiting, input OVP, output UVP/OVP, and internal OTP. In the event of a fault, the fault protection response can be selected to be latch-off or hiccup recovery. Also integrated are several functions that ease system design. A unique tracking input controls the output voltage, allowing it to track either a digital duty cycle (PWM) signal or an analog reference. The ISL78227 provides input average current limiting so the system can deliver transient bursts of high load current while limiting the average current to avoid overheating.
产品参数
| 属性 | 值 |
|---|---|
| Outputs (Max) (#) | 1 |
| Phases (Max) | 2 |
| Output Voltage (Min) (V) | 5 |
| Bias Voltage Range (V) | 4.75 - 5.5 |
| Integrated MOSFET Driver (s) | Yes |
| Input Voltage (Min) (V) | 5.6 |
| Input Voltage (Max) (V) | 55 |
| Parametric Applications | Automotive power system (e.g., 12V to 24V, 12V to 48V, etc.), Trunk audio amplifier, Start-stop system, Automotive boost applications, Industrial and telecommunication power supplies |
| Qualification Level | Automotive |
| Simulation Model Available | iSim |
封装选项
| Pkg. Type | Pkg. Dimensions (mm) | Lead Count (#) | Pitch (mm) |
|---|---|---|---|
| WFQFN | 5.0 x 5.0 x 0.85 | 32 | 0.5 |
当前筛选条件
筛选
软件与工具
样例程序
模拟模型
Renesas introduces the ISL78227 and ISL78229 automotive-grade 55V, 2-phase synchronous boost controllers. The ISL78229 features a PMBus interface for advanced control, telemetry, and diagnostics. Renesas showcases how these devices address common challenges in automotive power design.