特性
- 经过优化,可驱动 E 型 GaN FET
- 宽输入电压范围:4.5V 至 80V
- 宽输出电压范围:5V 至 80V
- 栅极驱动电压:5.3V
- 4 个 FET 驱动器
- 恒定输出电压和输出电流反馈环路控制
- 轻载效率提高- 低纹波二极管仿真和突发模式操作
 
- 可编程的软启动
- 支持启动至预偏置电源轨
- 可编程频率:100 kHz 至 2 MHz
- 支持具有级联相位交错的均流
- 外部时钟同步
- 通过 PLL 或频率抖动控制的精确相位角输出
- PGOOD 指示器
- 输入电流监视器
- PWM/DE/Burst 三个可选模式
- 精确的 EN/UVLO 阈值:±2%
- 低关断电流:5μA
- 全面保护:OCP(逐脉冲和可选的打嗝或恒流模式)、OVP、OTP 和 UVP
描述
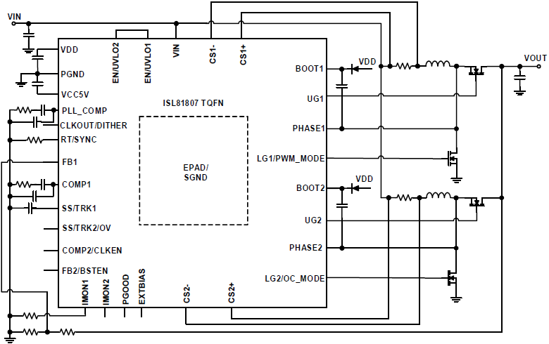
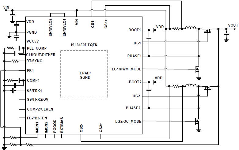
ISL81807 是一款双通道同步升压控制器,可产生两个独立输出或一个具有两个交错相位的输出,适用于工业和通用领域的各种应用。 该控制器具有较宽的输入和输出电压范围,适用于电信、数据中心和计算应用。
ISL81807 提供 5.3V 的栅极驱动器电压。 凭借其较小的死区时间设置,它是 E 型 GaN 场效应管器件的完美控制器。
ISL81807 采用峰值电流模式控制,两个输出具有相位交错功能。 每个输出都有一个电压调节器、电流监视器和平均电流调节器,以提供独立的平均电压和电流控制。 内部锁相环(PLL)振荡器可确保 100 kHz 至 2 MHz 的精确频率设置,并且振荡器可与外部时钟信号同步,以实现频率同步和相位交错并联应用。 该 PLL 电路可以输出相移可编程时钟信号,该时钟信号用于多相级联同步,并具有所需的交错相移。
ISL81807 具有可编程软启动和精确的阈值使能功能,以及一个电源正常指示器,可简化电源轨排序。 它还提供全面的保护功能,如 OVP、UVP、OTP 以及两个输出的平均和峰值电流限制,以确保高可靠性。
该器件采用了可节省空间的 32 Ld 5 × 5 mm TQFN 封装。
产品参数
| 属性 | 值 | 
|---|---|
| Outputs (Max) (#) | 2 | 
| Phases (Max) | 8 | 
| Output Voltage (Min) (V) | 5 | 
| Output Voltage (Max) (V) | 300 | 
| Bias Voltage Range (V) | 40 - 40 | 
| Integrated MOSFET Driver (s) | Yes | 
| Input Voltage (Min) (V) | 4.5 | 
| Input Voltage (Max) (V) | 80 | 
| Qualification Level | Standard | 
| Simulation Model Available | iSim | 
封装选项
| Pkg. Type | Pkg. Dimensions (mm) | Lead Count (#) | Pitch (mm) | 
|---|---|---|---|
| TQFN | 5.0 x 5.0 x 0.75 | 32 | 0.5 | 
应用
- 电信通讯
- 服务器和数据中心
- 汽车电子
- 工业设备
- 电力系统
 
当前筛选条件
筛选
软件与工具
样例程序
模拟模型
An overview of the industry’s first high-performance 80V dual-phase buck and boost controllers optimized to drive GaN FETs. With high efficiency, tight load regulation and current sharing, these devices deliver ideal power solutions for industrial automation, telecommunications, medical and automotive applications.
 
          