特性
- 单电感 4 开关降压-升压控制器
- 动态双向操作,两端独立控制电压和电流
- 专有算法,实现最平滑的模式转换
- 具有自适应击穿保护的 MOSFET 驱动器
- 宽输入电压范围:4.5V 至 80V
- 宽输出电压范围:0.8V 至 80V
- 支持启动预偏置电源轨
- 可编程频率:100kHz 至 600kHz
- 支持并联操作均流和级联相位交错
- 带时钟输出或频率抖动的外部同步
- 外部偏置可在 8V 至 36V 输入范围内实现更高的效率
- 输出和输入电流监视器
- PWM/DE/突发模式之间的可选 PWM 模式操作
- 精确的 EN/UVLO 和 PGOOD 指示器
- 低停机电流:2.7μA
- 全面保护:过流保护、过流保护、过压保护、过温保护和欠压保护- 具有平均电流和逐脉冲峰值电流限制的双电平 OCP,还提供短路保护 (SCP)
- 可选的 OCP 响应,具有打嗝或恒流模式
- 负逐脉冲峰值电流限制
 
描述
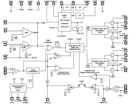
ISL81801是一款真正的双向 4 开关同步降压-升压控制器,具有峰值和平均电流检测功能,并可在两端进行监控。 该控制器输入和输出电压范围较广,适用于工业、电信等其他工业应用。
ISL81801 采用专有的降压-升压控制算法,升压模式采用谷值电流调制,降压模式控制采用峰值电流调制。
ISL81801 具有四个独立的控制环路,用于输入和输出电压和电流。 该系列产品内置的两端峰值电流检测和逐周期电流限制通过在两端和两个方向的快速瞬态条件下提供瞬时电流限制,确保运行时的可靠性。 该系列产品还在输入和输出端设有两个电流监控引脚,以辅助恒流(CC)限制和其他系统管理功能。 CC 操作低至低电压,避免了过载或短路条件下的失控情况。 除了多层过流保护外,该产品还提供全面的保护功能,如输入和输出的过压保护、欠压保护、过温保护、平均电流和峰值电流限制,以确保单向和双向操作的高可靠性。 轻载时独特的 DE/突发模式可显著降低待机功耗,并在不同负载水平下保持稳定的输出纹波。
该集成电路采用节省空间的 32 LD 5mm×5mm TQFN 封装或易于组装的 4.4mm×9.7mm 38 LD HTSSOP 封装。 两种封装均使用 EPAD 来提高热性能和抗噪性。 低引脚数量、更少的外部元件和默认内部值,使 ISL81801 成为简单电源设计上市的理想解决方案。
产品参数
| 属性 | 值 | 
|---|---|
| Topology [Rail 1] | Buck-Boost | 
| Outputs (#) | 1 | 
| Input Voltage (Min) (V) | 4.5 | 
| Input Voltage (Max) (V) | 80 | 
| Output Voltage (Min) (V) | 0.8 | 
| Output Voltage (Max) (V) | 80 | 
| Quiescent Current | 45 µA | 
| Switching Frequency Range (Typical) (kHz) | 600 - 600 | 
| Output Per Driver UGATE Source|Sink | 2|3 | 
| Output Per Driver LGATE Source|Sink | 2|3 | 
| SYNCH Capability | Yes | 
| Parallelable | Yes | 
| Bi-direction | Yes | 
| Control Type | Current Mode | 
| Temp. Range (°C) | -40 to +125°C | 
应用方框图
|  | 双向 3000W UPS 电源 具有升降压控制器、MCU 和功率器件的双向 3kW 电信 UPS 系统设计。 | 
|  | 5G 基础设施电源 5G 电源为各种 5G 应用提供高效率、低噪声和强大的性能。 | 
其他应用
- 备用电池
- UPS/存储系统
- 电池供电的工业应用
- 再生能源
- 汽车售后市场
- 冗余电源
- 机器人和无人机
- 医疗设备
- 楼宇和工业自动化
- 安防监控
当前筛选条件
加载中
    筛选
软件与工具
样例程序
模拟模型
新闻和博客
| 新闻 2020年10月21日 | 
 
          