特性
- 完整的数字电源
- 30A 单通道输出电流
- 4.75V 至 15V 单轨输入电压
- 效率高达 96%
- ▪ 可编程输出电压
- 0.45V 至 3.3V 输出电压设置
- 在线路、负载和温度条件下精度为 ±0.7
- 先进的线性数字调制方案
- 高达 1.25MHz 的固定开关频率操作
- 双边缘调制,可选二极管制动,瞬态响应更快
- 出色的 VOUT 转换性能
- 兼容 PMBus V1.3
- 可通过 PMBus 进行完全编程
- 设备非易失性存储器(NVM)中最多可存储 16 个用户配置
- 对 VIN、VOUT、IOUT、温度、占空比和 fSW 进行实时遥测
- 高级软启动/停止、排序和余量控制
- 完整的可定制过压/欠压、电流和温度保护
- 黑匣子状态记录,带第一故障指示器
- 10 × 13 × 7.8 mm BGA 封装
描述
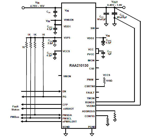
RAA210130 是一款完全支持 PMBus 的 DC/DC 降压型电源,采用紧凑型 10mm × 13mm × 7.8mm 热增强 BGA 封装,可提供高达 30A 的电流。
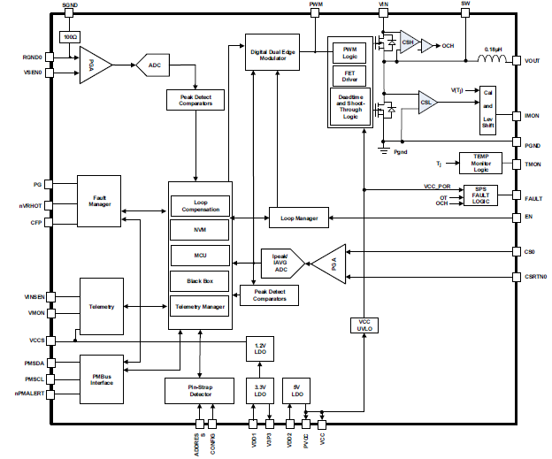
RAA210130 可在 4.75V 至 15V 的输入电压范围内工作,提供低至 0.45V 的可调输出电压,效率高达 96%。 RAA210130 采用瑞萨电子专有的数字合成电流调制方案,在整个负载范围内实现业界领先的瞬态响应、易调谐性和效率。 凭借极少的外部元件、简单的配置、强大的故障管理和高精度调节能力,稳压器可以轻松实现高性能。
标准 PMBus 接口与 PMBus V1.3 兼容,便于设备配置、排序和故障管理,提供实时全面遥测、负载点监控以及详细的故障报告。 所有功能都可以通过 PowerNavigator™ 软件工具轻松访问。
完全可定制的逐周期电流(峰值过流和峰值欠流限制)、电压和温度保护方案能够在系统故障时进行锁定或重启输出。
产品参数
| 属性 | 值 |
|---|---|
| Input Voltage (Max) (V) | 15 |
| Output Voltage (Min) (V) | 0.45 |
| Output Voltage (Max) (V) | 3.3 |
| Output Current (Max) [Rail 1] (A) | 30 |
| Switching Frequency Range (Typical) (kHz) | 571 - 571 |
| Control Type | Digital |
| Current Sharing | No |
| Digital Bus | Yes |
| SYNCH Capability | No |
| POR | Yes |
| Peak Efficiency (%) | 94 |
| Qualification Level | MSL3 |
| Temp. Range (°C) | -40 to +105°C |
封装选项
| Pkg. Type | Pkg. Dimensions (mm) | Lead Count (#) | Pitch (mm) |
|---|---|---|---|
| Module | 13.0 x 10.0 x 7.60 | 130 | 1 |
应用
- 服务器、电信、存储设备和数据通信
- 工业/ATE 和网络设备
- 适用于 ASIC、FPGA、DSP 和存储器的通用电源
当前筛选条件
筛选
软件与工具
样例程序
模拟模型
An overview of Renesas’ digital and analog power module lineup, which is designed to have excellent efficiency, output voltage accuracy and transient response in an optimized solution size. The RRM12120 and RAA210130 digital power modules are designed for high current applications (20A and 30A, respectively) while mini modules RAA210030 and RAA210040 target low current applications requiring an extremely small form factor.
Explore Renesas’ cutting-edge digital and analog power modules engineered for exceptional efficiency, precise output voltage, and fast transient response, all in optimized compact designs. From high-current solutions to ultra-small form factor mini modules for low-current applications, this lineup delivers performance tailored to every need.
Related Resources