跳转到主要内容

特性

  • 在整个线路、负载和 TJ = -40°C 至 +125°C 范围内保证 ±2% VADJ 精度
  • 极低的 212mV 压差(VIN = 4.5V 时)
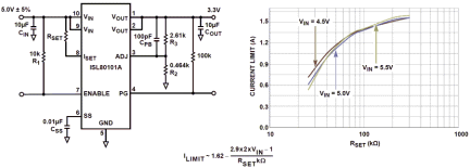
  • 可编程高达 1.75A 的高精度电流限制
  • 极快的瞬态响应
  • 100μVRMS 输出噪声
  • 电源正常输出
  • 可编程的软启动
  • 过温保护
  • 小型 10 引脚 DFN 封装

描述

ISL80101A 是一款低压差、单输出 LDO,具有可编程电流限制功能。 该 LDO 的输入电压为 2.2V 至 6V,输出电压为 0.8V 至 5V。 可根据要求提供其他定制电压选项。 该产品系列采用亚微米 BiCMOS 工艺,可提供极高的模拟性能和整体价值。 可编程电流限制提高了终端应用的系统可靠性。 软启动引脚上的外接电容器可提供可调的软启动斜坡。 ENABLE 功能可将部件置于低静态电流关断模式。 这种 CMOS LDO 的作为负载功能的静态电流消耗显著低于双极 LDO,因此可提供更高的效率和更小的封装。 静态电流略有下降,以实现极快的负载瞬态响应。

产品参数

属性
Input Voltage (Min) (V)2.2
Input Voltage (Max) (V)6
Output Voltage (Min) (V)0.8
Output Voltage (Max) (V)5
Output Current 1 (Max) (A)1
Drop Out Voltage (Typical)90 @ 1A
Fixed Output Voltage OptionYes
PSRR (db)48
Noise (10Hz to 100kHz) (μVrms)53
Noise (100Hz to 100kHz) (μVrms)53
Qualification LevelStandard

封装选项

Pkg. TypePkg. Dimensions (mm)Lead Count (#)Pitch (mm)
DFN3.0 x 3.0 x 0.90100.5

应用方框图

Interactive block diagram of the flexible battery system supports 2-7 Li-ion cells and enables direct charging from USB-C ports and power bank functionality.
240W USB Type-C 电池系统
这款灵活电池系统支持 2-7 节锂离子电池,具有 USB-C 充电接口和移动电源功能。
Automated optical inspection block diagram utilizes a powerful MPU and M.2 Type E Wi-Fi/Bluetooth module featuring 4x4 MIMO antenna.
自动光学检测(AOI)
具有 DRP-AI 和 Wi-Fi 6 支持的强大 MPU,适用于高速、低延迟的 AOI 系统。
4-20mA Current Loop Receiver Block Diagram
4 至 20mA 电流环路接收器
4 至 20mA 电流环路接收器为传感器系统提供低功耗和信号处理功能。

其他应用

  • 电信和网络
  • 医疗设备
  • 仪表系统
  • USB 设备
  • 游戏
  • 路由器和交换机

当前筛选条件