跳转到主要内容
瑞萨电子 (Renesas Electronics Corporation)

特性

  • Enhanced N channel FET with no inherent diode to VCC
  • 5 ohm bidirectional switches connect inputs to outputs
  • Zero propagation delay, zero ground bounce
  • Undershoot Clamp Diodes on all switch and control Inputs
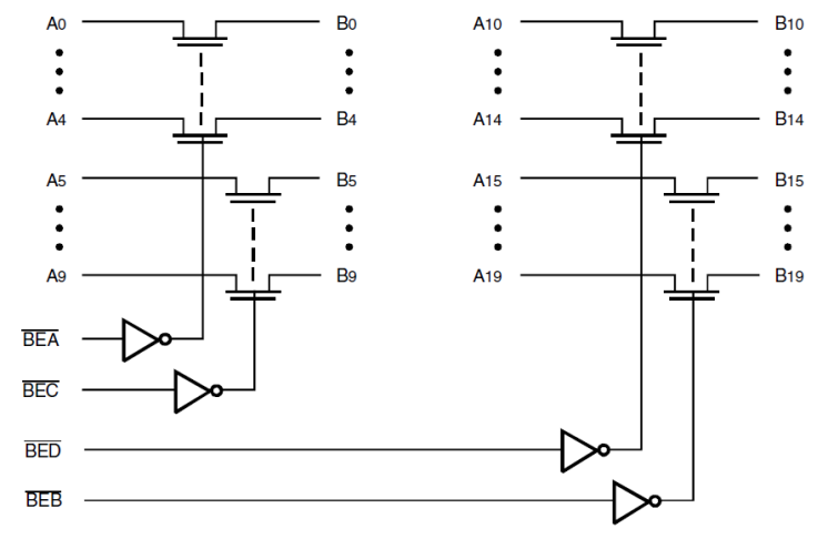
  • Four enables control five bits each
  • TTL-compatible input and output levels
  • Available in 48-pin QVSOP package

描述

The QS32XL384 provides a set of twenty high-speed CMOS TTL-compatible bus switches. The low ON resistance of the QS32XL384 allows inputs to be connected to outputs without adding propagation delay and without generating additional ground bounce noise. Four Bus Enable signals are provided, one for each of five bits of the 20-bit bus. The QS32XL384 is ideal for switching wide digital buses, as well as hot-docking, 5V to 3V conversion and capacitance isolation for power conservation. The QS32XL384 operates at -40C to +85C.

当前筛选条件