跳转到主要内容
瑞萨电子 (Renesas Electronics Corporation)

特性

  • Enhanced N-channel FET with no inherent diode to VCC
  • 16:8 multiplexer function with zero delay
  • 5Ω bidirectional switches connect inputs to outputs
  • Zero propagation delay, zero ground bounce
  • Low-power CMOS proprietary technology
  • Undershoot clamp diodes on all switch and control inputs
  • Direct bidirectional connection for mux
  • Available in a 28-pin QSOP package

描述

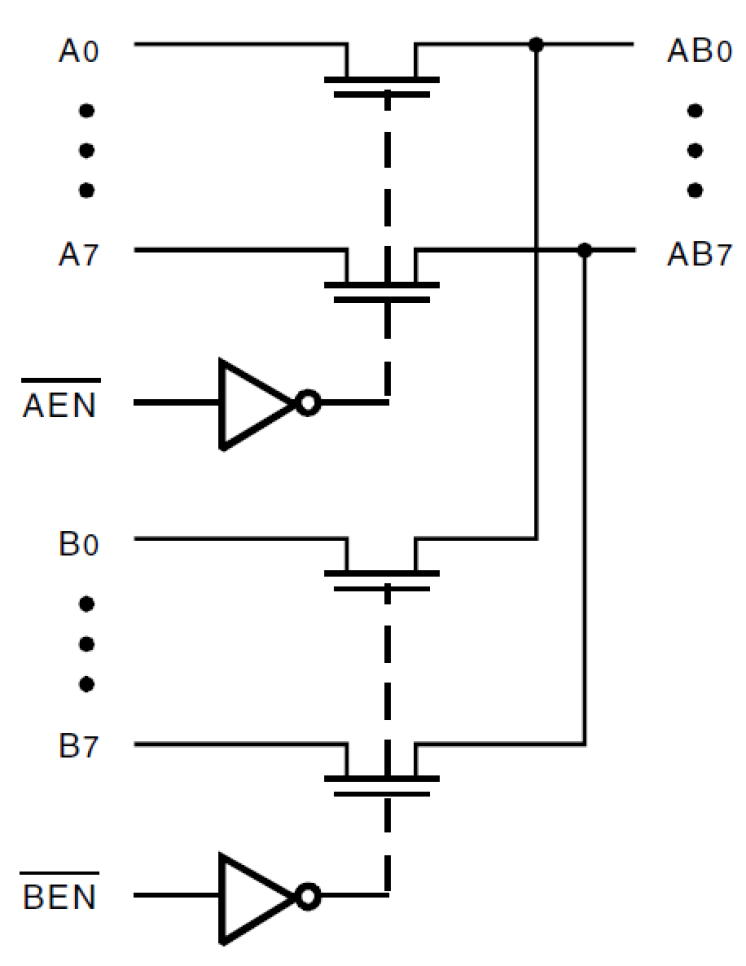
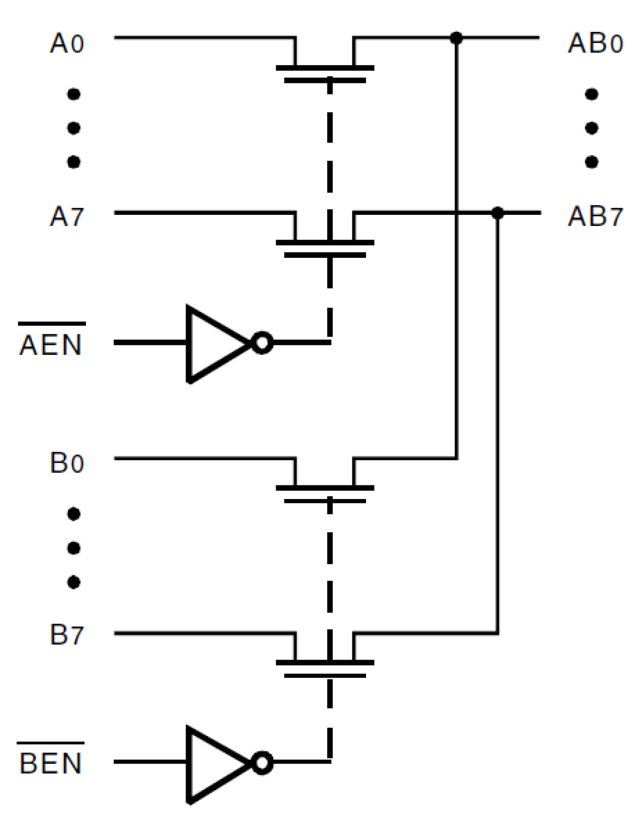
The QS3390 provides a 16:8 multiplexer logic switch. The low ON-resistance (5Ω) of the QS3390 allows inputs to be connected to the outputs without adding propagation delay and without generating additional ground bounce noise. Mux/Demux devices provide an order of magnitude faster speed than equivalent logic devices. The QS3390 operates at -40 °C to +85 °C.

应用

  • Video, audio, graphics switching, muxing
  • Hot-swapping, hot-docking
  • Voltage translation (5V to 3.3V)

当前筛选条件