| CAD 模型: | View CAD Model |
| Pkg. Type: | QFN |
| Pkg. Code: | LIQ |
| Lead Count (#): | 60 |
| Pkg. Dimensions (mm): | 7.0 x 7.0 x 0.90 |
| Pitch (mm): | 0.4 |
| Moisture Sensitivity Level (MSL) | 3 |
| Pb (Lead) Free | Yes |
| ECCN (US) | EAR99 |
| HTS (US) | 8542.39.0090 |
| RoHS (RAA228218GNP#AA0) | 下载 |
| Lead Count (#) | 60 |
| Carrier Type | Tray |
| Moisture Sensitivity Level (MSL) | 3 |
| Pb (Lead) Free | Yes |
| Pb Free Category | Pb-Free 100% Matte Tin Plate w/Anneal-e3 |
| Temp. Range (°C) | -40 to +125°C |
| Country of Assembly | MALAYSIA, TAIWAN |
| Country of Wafer Fabrication | TAIWAN |
| Bias Voltage Range (V) | 3.135 - 3.465 |
| Input Voltage (Max) (V) | 18 |
| Input Voltage (Min) (V) | 4.5 |
| Length (mm) | 7 |
| MOQ | 520 |
| Output Current (Max) [Rail 1] (A) | 1800 |
| Output Voltage (Max) (V) | 3.05 |
| Outputs (Max) (#) | 1 |
| Parametric Applications | DDR Memory Solutions, Artificial intelligence/accelerator cards (FPGA, ASIC), Network Equipment, Server/storage equipment, Telecom/datacom equipment, POL Power Supplies (memory, DSP, ASIC, FPGA) |
| Parametric Category | Multiphase DC/DC Switching Controllers |
| Phases (Max) | 20 |
| Pitch (mm) | 0.4 |
| Pkg. Dimensions (mm) | 7.0 x 7.0 x 0.90 |
| Pkg. Type | QFN |
| Price (USD) | $7.03588 |
| Qualification Level | Standard |
| Thickness (mm) | 0.9 |
| Width (mm) | 7 |
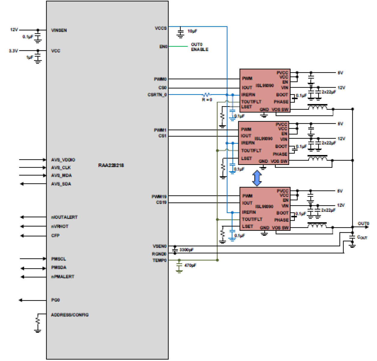
The RAA228218 is a digital single output multiphase (X ≤ 20) PWM controller with an Adaptive Voltage Scaling Bus (AVSBus) interface.
The RAA228218 controller can be configured to support any required phase assignment up to a maximum of 20 phases across the output. Increased power density, combined with support for the PMBus V1.3 and Adaptive Voltage Scaling Bus (AVSBus) interfaces, allows the RAA228218 to support any demanding power supply requirement.
The RAA228218 AVSBus interface complements PMBus by providing a common high-speed interface that accelerates point-to-point communication. The communication occurs between the controller and the load to statically and dynamically control the processor voltage, which delivers a balanced power-efficient design.
The RAA228218 uses the proprietary Renesas digital synthetic current modulation scheme to achieve the industry-best combination of transient response, ease of tuning, and efficiency across the full load range. The diode emulation and automatic phase add/drop features allow you to extract maximum efficiency from the converter regardless of load conditions. You can use the intuitive Renesas PowerNavigator™ software to configure and monitor the device.
With minimal external components, easy configuration, robust fault management, and highly accurate regulation capability, implementing a high-performance multiphase regulator has never been easier.