| CAD 模型: | View CAD Model |
| Pkg. Type: | QFN |
| Pkg. Code: | L3N |
| Lead Count (#): | 52 |
| Pkg. Dimensions (mm): | 6.0 x 6.0 x 0.85 |
| Pitch (mm): | 0.4 |
| Moisture Sensitivity Level (MSL) | 3 |
| Pb (Lead) Free | Yes |
| ECCN (US) | |
| HTS (US) |
| Pkg. Type | QFN |
| Lead Count (#) | 52 |
| Carrier Type | Reel |
| Moisture Sensitivity Level (MSL) | 3 |
| Pb (Lead) Free | Yes |
| Pb Free Category | Pb-Free 100% Matte Tin Plate w/Anneal-e3 |
| Temp. Range (°C) | -55 to 125°C |
| Bias Voltage Range (V) | 3.13 - 3.46 |
| Comm. Interface | SVI3, PMBus |
| Country of Assembly | MALAYSIA, TAIWAN |
| Country of Wafer Fabrication | TAIWAN |
| Droop | Yes |
| Input Voltage (Max) (V) | 4.3 |
| Input Voltage (Min) (V) | 3 |
| Integrated MOSFET Driver (s) | No |
| Length (mm) | 6 |
| MOQ | 4000 |
| Output Voltage 1 (Max) (V) | 3.05 |
| Output Voltage 2 (Max) | 3.05 |
| Output Voltage 3 (Max) | 3.05 |
| Outputs (Max) (#) | 3 |
| Parametric Applications | SVI3 |
| Parametric Category | Multiphase DC/DC Switching Controllers |
| Phases (Max) | 8 |
| Pitch (mm) | 0.4 |
| Pkg. Dimensions (mm) | 6.0 x 6.0 x 0.85 |
| Qty. per Carrier (#) | 0 |
| Qty. per Reel (#) | 4000 |
| Qualification Level | Standard |
| Reel Size (in) | 13 |
| Tape & Reel | Yes |
| Thickness (mm) | 0.85 |
| VID | Yes |
| Width (mm) | 6 |
| 已发布 | No |
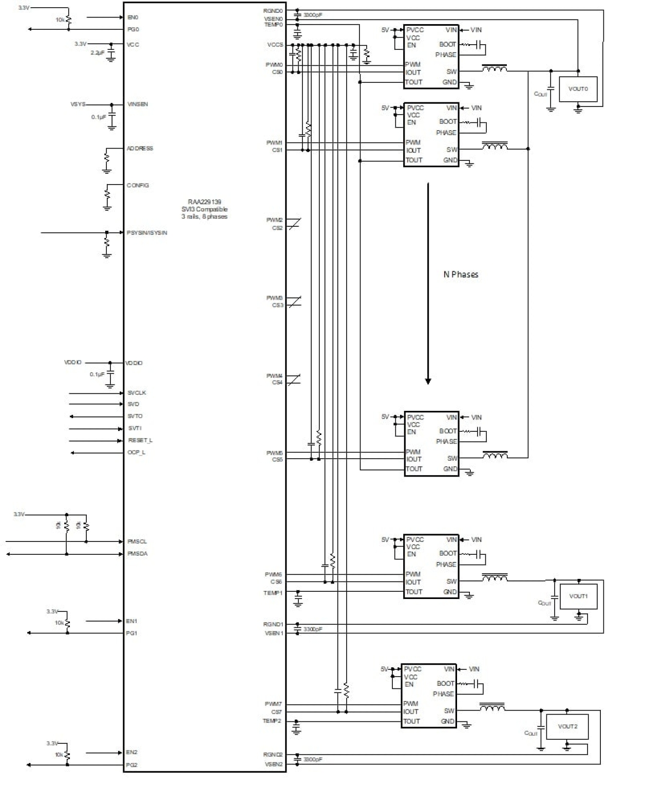
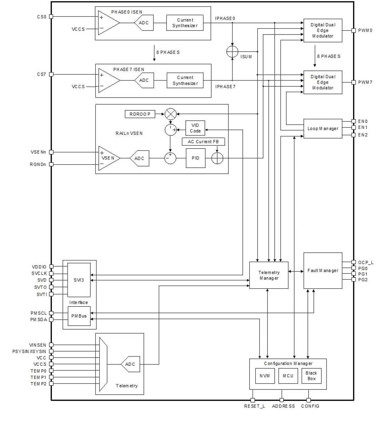
RAA229139 是一款数字三输出多相 (X+Y+Z ≤ 8) PWM 控制器,符合 AMD SVI3 规范。 RAA229139 可灵活配置多相供电方案:在轨道 0 上最多可分配 8 个相位,在轨道 1 上最多可分配 3 个相位,在轨道 2 上最多可分配 2 个相位。 RAA229139 支持 AMD SVI3 接口和 PMBus V1.3 规范,因此非常适合用于控制 AMD SVI3 平台中的微处理器内核和系统轨道。