| CAD 模型: | View CAD Model |
| Pkg. Type: | SCQFN |
| Pkg. Code: | LGL |
| Lead Count (#): | 48 |
| Pkg. Dimensions (mm): | 7.0 x 0.0 x 0.90 |
| Pitch (mm): | 0.5 |
| Moisture Sensitivity Level (MSL) | 3 |
| Pb (Lead) Free | Yes |
| ECCN (US) | EAR99 |
| HTS (US) | 8542.39.0090 |
| Pkg. Type | SCQFN |
| Lead Count (#) | 48 |
| Carrier Type | Reel |
| Moisture Sensitivity Level (MSL) | 3 |
| Pb (Lead) Free | Yes |
| Pb Free Category | Pb-Free 100% Matte Tin Plate w/Anneal-e3 |
| Advanced Features | Spread Spectrum Clocking, Engine-off Timer, QA Watchdog Timer, 8 Voltage Monitors, Programmable Reset Generator |
| Battery Interface | No |
| Bus Voltage (Max) (V) | 5.5 |
| Comm. Interface | SPI |
| Function | 7-ch ASIL B PMIC, 7-ch ASIL D PMIC |
| GPIOs (#) | 0 |
| Input Voltage (Max) (V) | 42 |
| Input Voltage (Min) (V) | 2.7 |
| Input Voltage (Min) [Rail 1] (V) | 2.7 |
| Integrated Battery Charger | No |
| Integrated step-down DC/DC Converter Channels (#) | 2 |
| Length (mm) | 7 |
| Longevity | 2040 六月 |
| MOQ | 4000 |
| Output Current Max (A) | 10 |
| Outputs (#) | 7 |
| Parametric Applications | Traction Inverter, X-in-1, Zone Controller, Domain Controller, ADAS, BMS |
| Pitch (mm) | 0.5 |
| Pkg. Dimensions (mm) | 7.0 x 0.0 x 0.90 |
| Processor Name | RH850 C1x, E1x, F1x, P1x, E2x, U2A, U2B, U2C |
| Processor Supplier | Renesas |
| Product Type | MCU |
| Qualification Level | Automotive |
| Step-up DC/DC converter Channels (#) | 1 |
| Switching Frequency (MHz) | 0.44 - 2.2 |
| Switching Regulators | 2 |
| Thickness (mm) | 0.9 |
| Total step-down DC/DC converter channels (#) | 2 |
| USB-Power Management | No |
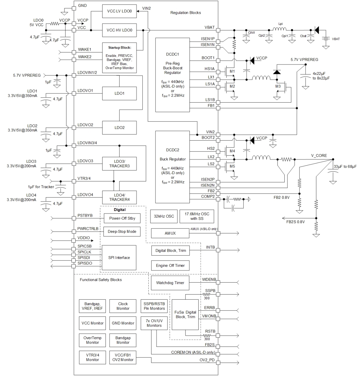
RAA271084 汽车安全完整性等级 D (ASIL D) 和 RAA271084-B (ASIL B) 是具有高压前端的通用电源管理集成电路 (PMIC),针对汽车应用中的 MCU 电源进行了优化。 它们具有一个高压降压/升压控制器、一个低压同步降压控制器和五个线性稳压器 (LDO),其中两个可以用作跟踪器。
RAA271084 支持 ASIL D 系统安全目标,而 RAA271084-B 支持 ASIL B。两者都包括关键的安全功能,如电压监控、温度监测器、看门狗定时器、复位发生器和安全控制状态机。
这两款器件采用 48 引脚 SCQFN 和 LQFP-EP 封装 (RAA271084) 和 SCQFN (RAA271084-B),符合 AEC-Q100 1 级标准,可在 -40°C 至 125°C 下工作。 这些产品旨在用于符合 ISO 26262 标准的应用,但安全性分析和评估正在进行中,可能会发生变化。