| CAD 模型: | View CAD Model |
| Pkg. Type: | QFN8x8 |
| Pkg. Code: | |
| Lead Count (#): | 22 |
| Pkg. Dimensions (mm): | 8 x 8 x 0.85 |
| Pitch (mm): |
| Moisture Sensitivity Level (MSL) | 3 |
| HTS (US) | 8542.39.0090 |
| RoHS (RRW22115-153) | 英语日文 |
| Pb (Lead) Free | |
| ECCN (US) |
| Lead Count (#) | 22 |
| Carrier Type | Tape & Reel |
| Moisture Sensitivity Level (MSL) | 3 |
| Control Mode | Peak Current Mode DCM/CCM |
| Switching Frequency (KHz) | 70 - 270 |
| VBIAS (Max) (V) | 42 |
| Temp. Range (°C) | -40 to +150°C |
| Advanced Features | SuperGaN Integrated |
| Application | USB PD, Docking Station, Wall‑Outlet, Power Tools, Monitor, Speaker |
| Controller / Integrated | Integrated |
| Country of Assembly | TAIWAN, MALAYSIA |
| Country of Wafer Fabrication | Die1:KR, Die2:JP, Die3:TW |
| Function | SSR Flyback |
| Key Features | Zero Standby Power |
| Length (mm) | 8 |
| MOQ | 4000 |
| No-Load Operating Current | 55 |
| Output Power Max (W) | 45 |
| Output Voltage (Max) (V) | 24 |
| Outputs (Max) (#) | 3 |
| PWMs (#) | 1 |
| Parametric Category | Flyback & Forward Controllers |
| Pass Device | |
| Phases (Max) | Flyback & Forward Controllers |
| Pkg. Dimensions (mm) | 8 x 8 x 0.85 |
| Pkg. Type | QFN8x8 |
| Product Category | Flyback & Forward Controllers |
| Protection Features | Brown-out, OTP, UVLO, Output OVP, OCP |
| Qualification Level | Standard |
| Quality Level | Standard |
| Simulation Model Available | No |
| Supply Voltage (max) (V) | 45 - 45 |
| Thickness (mm) | 0.85 |
| Topology Characteristic | PWM/PFM Flyback |
| UVLO Falling (V) | 7.5 |
| UVLO Rising (V) | 15.3 |
| Width (mm) | 8 |
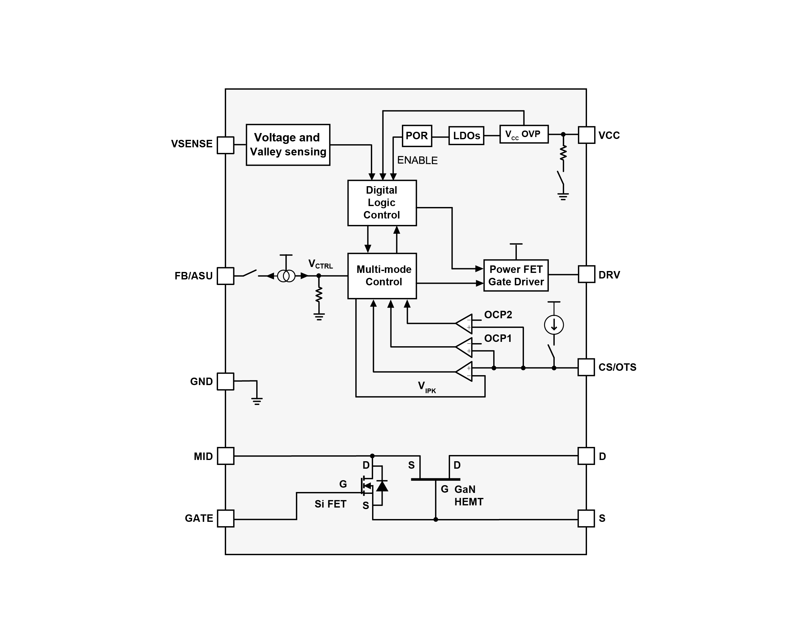
RRW22115 是一款系统级封装(SiP)产品,集成了 700V SuperGaN® FET 与高性能 AC/DC 初级侧数字反激式控制器,适配次级侧调节(SSR)架构,可实现零待机功耗快充应用。 该器件采用瑞萨专利的恒频准谐振(QR)开关模式,并搭载自适应多模式控制(MMC)。 RRW2211x 系列专为与瑞萨次级侧控制器 iW780/iW610 或 RRW30110/RRW43010 芯片组配套使用而优化;此类芯片组集成次级侧调节(SSR)、同步整流(SR)控制,并支持 USB PD 3.2 可编程电源(PPS)。 典型设计中,RRW22115 常用于 25W 至 45W 功率等级的应用场景;若采用 RRW2211x 与 iW780 芯片组构建 PD 旅行适配器,在拔除 USB 线缆后,空载功耗可低至 5mW 以下。
MMC 功能涵盖了 PWM、PFM 和突发模式(Burst Mode)等多种工作模式,可实现效率与 EMI 性能的最佳平衡。 RRW22115 与 iW780 芯片组支持高精度多级恒压(CV)与恒流(CC)调节,且模式切换过程快速平滑。 SSR 数字补偿技术省去了外部环路补偿元件,同时确保了在所有工作条件下系统均能保持稳定运行。
瑞萨电子专有的数字控制技术可实现高效率、高精度电压与电流控制以及快速动态负载响应,同时有效降低系统成本。 QR 开关模式、MMC 工作模式以及基于 SSR 的调节机制三者的结合,能够充分满足现代快速充电应用对性能的各项需求。