跳转到主要内容
瑞萨电子 (Renesas Electronics Corporation)

特性

  • Integrated high performance NTSC/PAL/SECAM video decoder
  • Built in high quality De-interlacing engine
  • Black / white / blue stretch for higher contrast
  • Favorite color enhancement
  • Integrated timing controller (T-CON) with digital and analog panel support
  • QVGA up toWXGA panel resolution support
  • Low power consumption (600 mW)
  • Small form factor 128-pin PQFP 24bit Digital RGB and 8/16/24-bit YCbCr Inputs
  • Supports connection to analog PC Graphics cards with the addition of a 3 channel A/D converter for up toWXGA resolution
  • Supports YCbCr digital component input for DTV 480p, 720p, 1080i TFT Panel Support
  • Supports digital and analog LCD panels
  • Supports a wide variety of active matrix TFT panels one pixel per clock Timing Controller (TCON)
  • Support programmable interface signals for control column(source) driver / row(gate) driver
  • Support analog RGB output
  • Programmable VCOM output Analog RGB / YCbCr Inputs
  • Has direct connection to analog RGB or YCbCr input up to WVGA or 480p resolution
  • Built-in PLL support for embedded or separated sync Video Decoder and Processing
  • Three 9-bit ADCs and analog clamping circuit
  • Fully programmable static gain or automatic gain control for the Y or CVBS channel
  • Programmable white peak control for the Y or CVBS channel
  • Software selectable analog inputs allows any of the following combinations:
  • Up to 4 composite video
  • Up to 2 S-Video
  • 1 YPbPr component
  • 1 RGB

描述

Support is limited to customers who have already adopted these products.

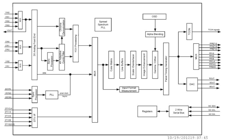
Techwells TW8806 LCD display processor is a low-cost high-quality TFT panel controller with an embedded NTSC/PAL/SECAM TV decoder. This unique level of mixed-signal integration enables the panel to be used as a stand-alone LCD display for in-car entertainment, portable DVD and portable LCD TV applications. An integrated triple analog-to-digital converter supports YPbPr/RGB component input and allows direct connection to DVD and Navigation sources. In addition, flexible digital inputs support 24-bit Digital RGB and 8/16/24-bit YCbCr inputs. The TW8806 contains all the logic required to convert standard TV, DTV, and PC monitor signals to the digital control and data signals required to drive various TFT panel types. It supports TFT panel resolutions up to 1280 by 768 with 1- pixel/clock formats. The chip has nine analog inputs. This enables a number of input combinations simultaneously. For example, the chip can accept up to 4 CVBS inputs simultaneously. The chip can also accept one CVBS, one S-Video, one component and one analog RGB simultaneously. The integrated analog front-end contains three ADCs with three clamping circuits and one Automatic Gain Control (AGC) circuit to minimize external component count. It employs a 4H, 5-line adaptive comb filter and proprietary Y/C processing technologies to produce exceptionally high-quality pictures. The chip's internal logic synchronizes the panel frame rate to the incoming input frame rate. A high-quality image-scaling engine is used to convert the lower resolution formats or high-resolution DTV formats to the output panel resolution. An internal de-interlacing engine also allows interlaced video to be supported. On-Screen Display is supported through an on-chip OSD RAM for maximum flexibility. A closed caption decoder is built in. The TW8806 also accepts a 24-bit digital RGB input from an external PanelLinkTM receiver or ADCs for use as a computer monitor. In addition, it accepts 8/16/24 bits digital YCbCr input for use with external ADCs for use as a DTV monitor. The TW8806 also supports TFT panel power sequencing, DPMS (VESATM Display Power Management Signaling) signaling and power management. The control interface is a 2-wire serial bus interface. The TW8806 core operates at 1.8V, the IO at 3.3V and packaged in a 128-pin PQFP package.

应用

  • Portable TV
  • Rear Seat Car Display
  • Portable DVD
  • Navigation + DVD
  • Door Phone
  • DMB TV
  • In Flight Display

当前筛选条件