跳转到主要内容
瑞萨电子 (Renesas Electronics Corporation)

特性

  • Supports analog inputs including CVBS, S-Video, YPbPr & RGB signals and digital inputs including 8/16/24 bit RGB/YCbCr. Interlaced and progressive ITU 656 inputs are supported
  • Supports Sharp™ dual-view digital panel with resolutions up to WVGA
  • Integrated low cost 16-bit SDRAM memory controller supporting up to 8MB SDRAM external memory
  • Supports PIP/MPIP
  • Built-in dual-view mixer block to support Sharp™ dual-view digital panel
  • Built-in dual window bit-mapped (4/8-bits) OSD
  • Supports external 18-bit OSD with alpha blending control
  • PIP Overlay
  • Embedded Image Enhancement
  • Programmable CTI, hue, brightness, saturation, contrast & sharpness control
  • Black/White Stretch
  • Programmable favorite color enhancement- up to three colors (Skin, Grass & Sky)
  • Programmable Gamma Correction tables
  • 3D Analog Video Decoder
  • NTSC (M, 4.34) and PAL (B, D, G, H, I, M, N, N combination), PAL (60), SECAM with automatic format detection
  • Three 10-bit ADCs and analog clamping circuit.
  • Fully programmable static gain or automatic gain control for the Y or CVBS channel
  • Programmable white peak control for the Y or CVBS channel
  • Software selectable analog inputs allows any of the following combinations:
  • Up to 4 composite video
  • Up to 2 S-Video
  • Up to 1 YPbPr
  • Analog RGB Inputs
  • Triple high speed 8-bit ADCs with clamping and programmable gain amplifier.
  • Up to two independent RGB / YPbPr channels with corresponding SOG
  • Built-in line locked PLL with sync separator
  • Allows high resolution components inputs like DTV 480i, 480p, 576i, 576p,720p & 1080i
  • Supports PC inputs up to SXGA
  • 8/16/24-bit YCbCr Inputs
  • Allows connection with alternative Video and PC Graphics inputs
  • Support both 656 and 601 video formats
  • Allows connection to HDMI receiver
  • TFT Panel Support
  • Supports Sharp™ dual-view panel up to WVGA
  • Supports 3, 4, 6 or 8 bits per pixel up to 16.8 million colors with built-in dithering engine
  • Support single channel TTL panel
  • Built-in programmable timing controller

描述

Support is limited to customers who have already adopted these products.

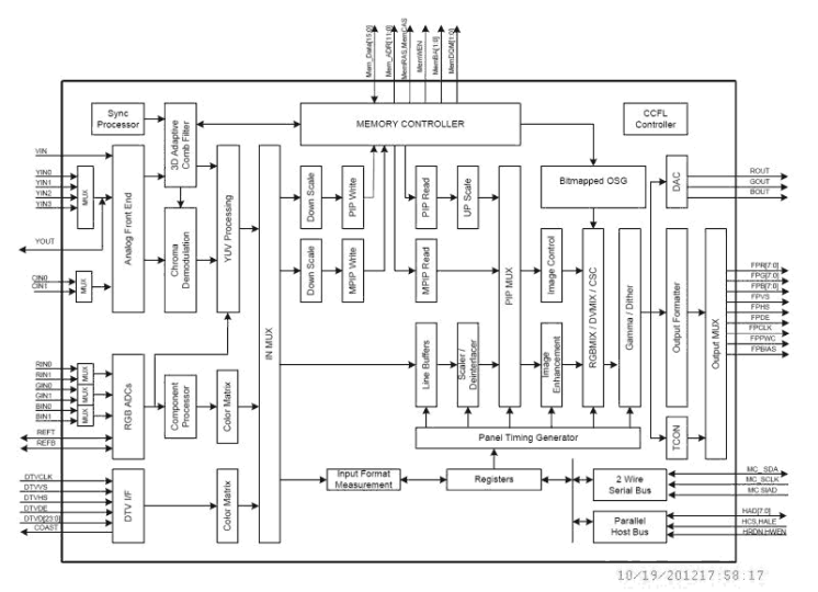
The TW8810 is a highly integrated LCD TFT flat panel controller for Sharp™ dual-view LCD panel primarily targeting front console and rear-seat automotive infotainment applications. The TW8810 integrates a high quality NTSC/PAL/SECAM 3D video decoder and a 2D de-interlacer with low angle compensation. In addition, built-in dual-view mixer enables direct support for Sharp™ dual-view panel.

应用

  • Sharp™ Dual View Display based applications only
  • Navigation + DVD + TV
  • Back up Camera
  • Rear Seat Entertainment
  • Car TV
  • Portable DVD player
  • Portable TV
  • In Flight Entertainment

当前筛选条件