| CAD 模型: | View CAD Model |
| Pkg. Type: | PQFP |
| Pkg. Code: | QRS |
| Lead Count (#): | 128 |
| Pkg. Dimensions (mm): | 0.00 x 0.00 x 2.72 |
| Pitch (mm): | 0.5 |
| Pb (Lead) Free | No |
| ECCN (US) | EAR99 |
| HTS (US) | 8542.39.0090 |
| Moisture Sensitivity Level (MSL) |
| Lead Count (#) | 128 |
| Carrier Type | Tray |
| Pb (Lead) Free | No |
| Temp. Range (°C) | -40 to +85°C |
| Channels per device (#) | 1 |
| Comb Filter | 3D |
| Inputs (#) | 5 |
| Interface | BT.656, BT601 |
| MOQ | 264 |
| Output Format | D1 |
| Pitch (mm) | 0.5 |
| Pkg. Dimensions (mm) | 0.0 x 0.0 x 2.72 |
| Pkg. Type | PQFP |
| Qualification Level | Standard |
| Thickness (mm) | 2.72 |
| Video DAC | No |
Support is limited to customers who have already adopted these products.
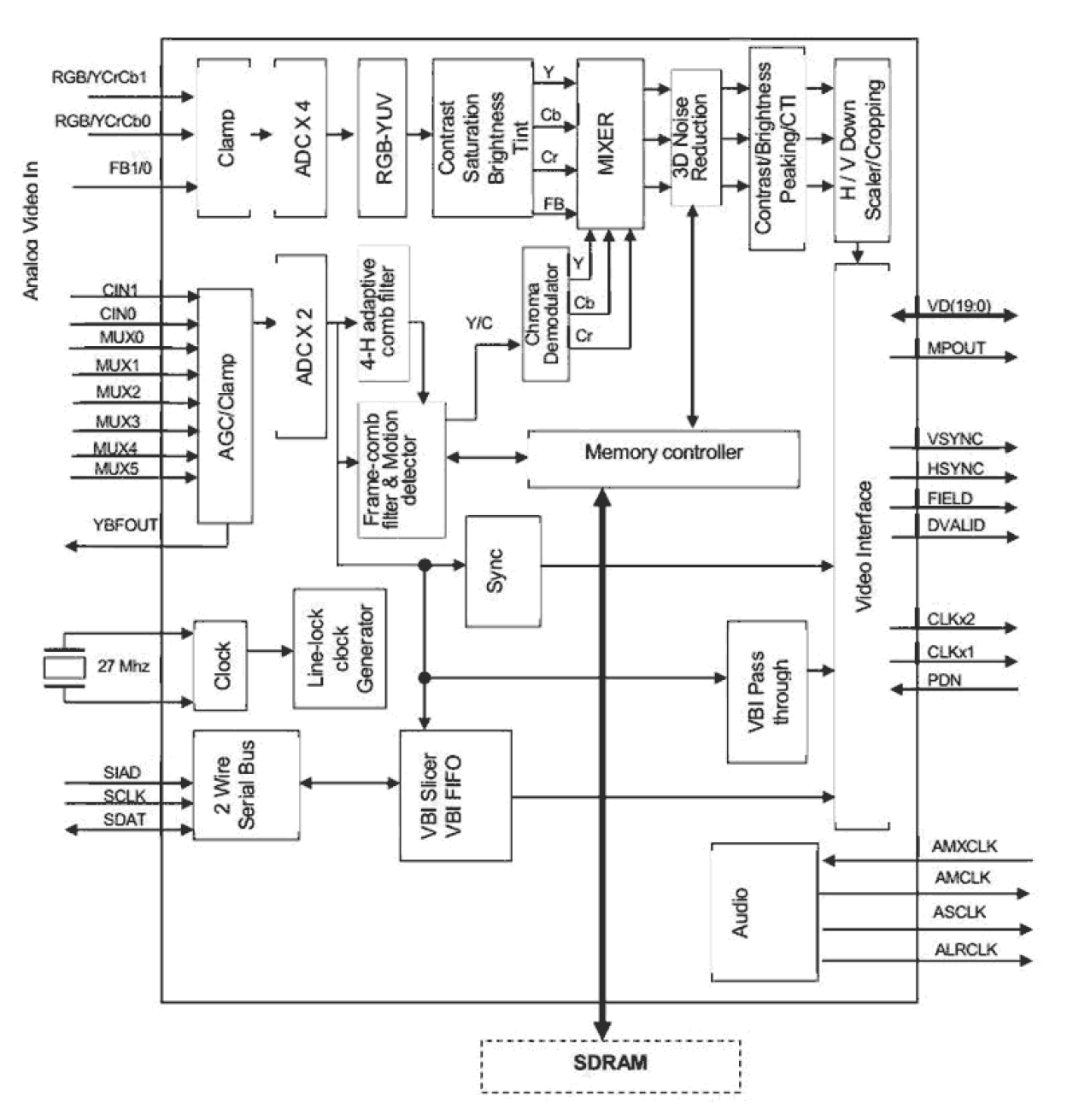
Techwell's TW9919 is a high quality NTSC/PAL/SECAM video decoder that is designed for multimedia applications. It uses the mixed-signal 2. 5V/3. 3V CMOS technology to provide a low-power integrated solution. The TW9919 analog front-end is equipped with six separate analog channels that enable it to accept various analog video input standard including Composite video, S-video, component video (YCbCr), and SCART RGB. With the analog FB support, it also allows the mixing of composite or S-video input with YCbCr/RGB input. All channels include an analog multiplexer (MUX) for maximum flexibility in software controlled input selection. It is possible to connect up to five composite inputs or two Svideo inputs or two YCbCr inputs or two SCART RGB inputs at one time and allow the software to switch between them. Alternatively, a maximum combination of five of these inputs may be switched under software control. In the PIP mode, a maximum combination of four composite/Svideo input can be mixed with any of two YCbCr/RGB inputs through external FB control. The front-end contains all the necessary circuits to simplify the system design. The built-in six high quality 10-bit analog-to-digital converters (ADCs) convert inputs into digital signals for processing. The TW9919 uses proprietary adaptive 3D comb filter to achieve best NTSC and PAL quality fpr stationary portion. For motion part of the image, it employs 2H(NTSC)/4H(PAL) comb filter for chroma and luma separation to achieve high video quality. The image enhancement includes horizontal and vertical peaking, CTI and BCS control. The advanced synchronization processing can produce stable pictures for non-standard signal such as those produced by VCR trick mode. The high quality scaler uses multi-tap poly-phase decimation filter to accurately scale down the image with minimum phase error. It can be programmed to scale-down the output picture to an arbitrary ratio with cropping. The TW9919 supports flexible pixel interface. It outputs YCbCr (4:2:2) data stream over 10-bit or 20-bit data path. It also supports both free-running clock and line-locked clock output. A 2-wire serial MPU interface is used to simplify system integration. All the functions can be controlled through this interface.