跳转到主要内容
瑞萨电子 (Renesas Electronics Corporation)

特性

  • NTSC (M, 4.43) and PAL (B, D, G, H, I, M, N, N combination), PAL (60), SECAM support with automatic format detection
  • Software selectable analog inputs allow any of the following combinations, e.g., 4 CVBS or (3 CVBS and 1 Y/C)
  • Two 9-bit ADCs and analog clamping circuit
  • Fully programmable static gain or automatic gain control for the Y channel
  • Programmable white peak control for the Y or CVBS channel
  • 4-H adaptive comb filter Y/C separation
  • PAL delay line for color phase error correction
  • Image enhancement with 2D peaking and CTI
  • Digital subcarrier PLL for accurate color decoding
  • Digital horizontal PLL for synchronization processing and pixel sampling
  • See datasheet for full list of features

描述

Support is limited to customers who have already adopted these products.

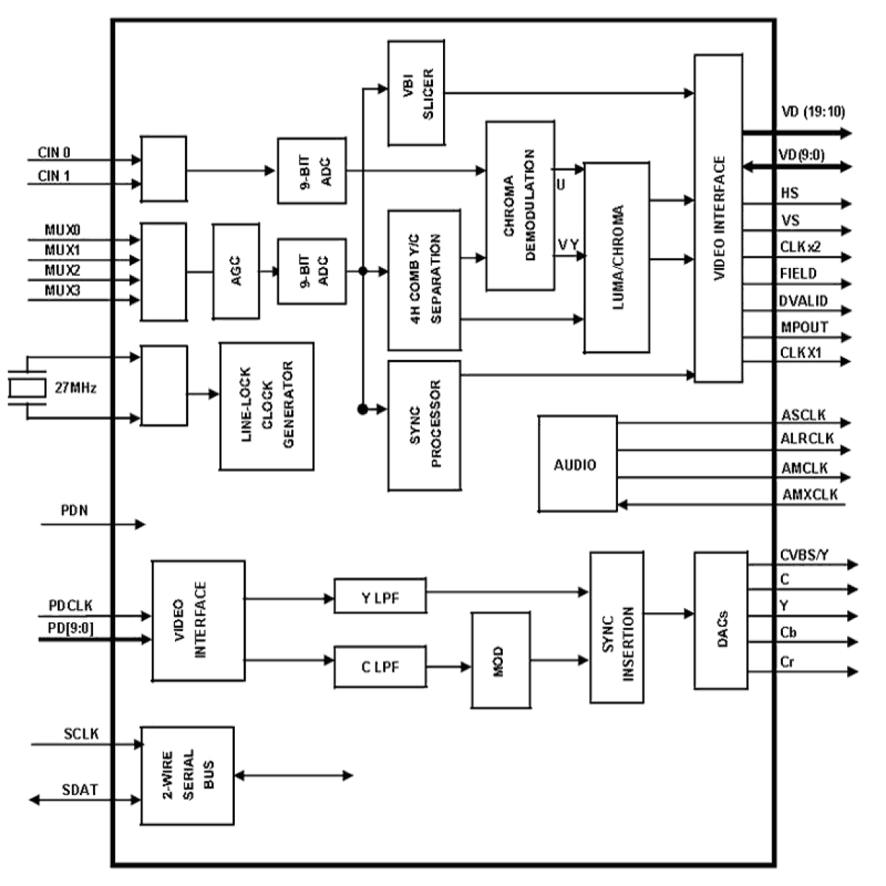
The TW9920 is a multistandard video decoder and encoder chip that is designed for multimedia applications. This low power, integrated solution has a 4H comb filter based NTSC/PAL/SECAM video decoder that converts analog CVBS or S-Video signals into digital YCbCr output. The integrated analog video encoder converts digital YCbCr inputs into analog CVBS or S-Video output.

应用

  • Digital Camcorder
  • Portable Media Player (PMP)
  • Mobile Phone and PDA

当前筛选条件