| CAD 模型: | View CAD Model |
| Pkg. Type: | SOIC |
| Pkg. Code: | DCG8 |
| Lead Count (#): | 8 |
| Pkg. Dimensions (mm): | 4.9 x 3.9 x 1.5 |
| Pitch (mm): | 1.27 |
| Moisture Sensitivity Level (MSL) | 3 |
| Pb (Lead) Free | Yes |
| ECCN (US) | |
| HTS (US) |
| Pkg. Type | SOIC |
| Lead Count (#) | 8 |
| Carrier Type | Reel |
| Advanced Features | Switch Dimming |
| Architecture | Buck |
| Channels (#) | 1 |
| Input Voltage Range (V) | 8.5 - 40 |
| Length (mm) | 4.9 |
| MOQ | 2500 |
| Moisture Sensitivity Level (MSL) | 3 |
| Output Current Max (A) | 1.2 |
| Package Area (mm²) | 19.1 |
| Pb (Lead) Free | Yes |
| Pb Free Category | e3 Sn |
| Pitch (mm) | 1.27 |
| Pkg. Dimensions (mm) | 4.9 x 3.9 x 1.5 |
| Qty. per Carrier (#) | 0 |
| Qty. per Reel (#) | 2500 |
| Reel Size (in) | 13 |
| Requires Terms and Conditions | Does not require acceptance of Terms and Conditions |
| Tape & Reel | Yes |
| Thickness (mm) | 1.5 |
| Width (mm) | 3.9 |
| 已发布 | No |
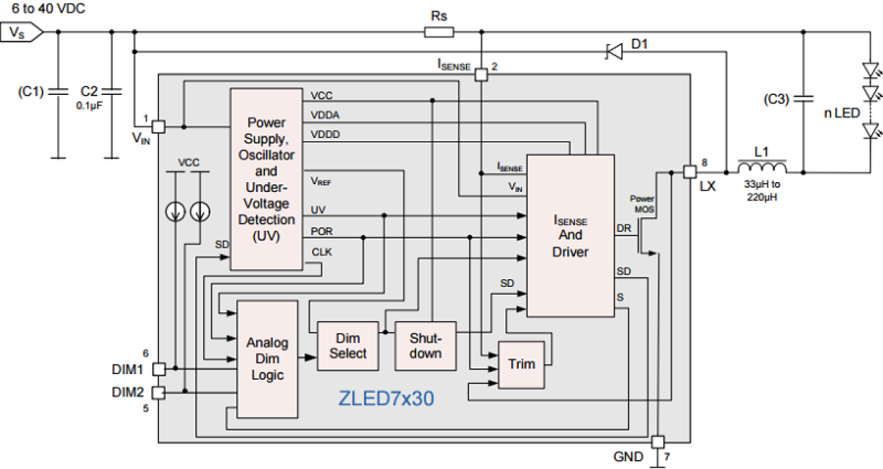
The ZLED7030 continuous-mode inductive step-down converter is part of our ZLED7x30 family of LED-control ICs. It is designed for applications requiring high brightness and high current. The ZLED7030 can efficiently drive a single LED or multiple series-connected LEDs from a voltage input higher than the LED forward voltage (Vin = 8.5 to 40VDC). It provides an adjustable output current (1.2A maximum), which is set via an external resistor and controlled by the ZLED7030's integrated high-side output current-sensing circuit and high-speed internal 40V power switch. Its low conducting impedance ensures high system efficiency. The ZLED7030 provides a switch dimming function. It detects external switch action to adjust output current, allowing dimming functionality to be achieved without changing the original lighting system circuitry. The switch dimming is implemented in either two-level mode or three-level mode. The output current of every level and the total number of levels are customer selected by setting the corresponding input conditions of the DIM1 and DIM2 pins. The ZLED7030 enables diverse industrial and consumer lighting applications requiring high driving currents, wide operating voltage range, high efficiency, and variable brightness control. It offers over-temperature and LED open-circuit protection. The ZLED7030 can also minimize bill-of-material costs because very few external components are required for most applications. Only a resistor, a diode, an inductor, and three capacitors are needed for a typical basic application.